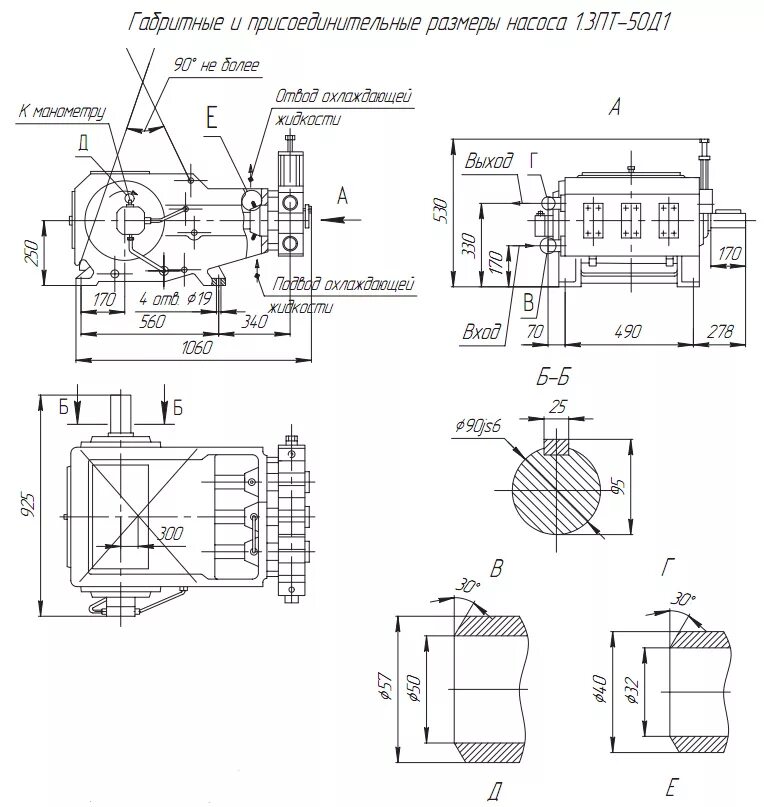
1 3 пт 50