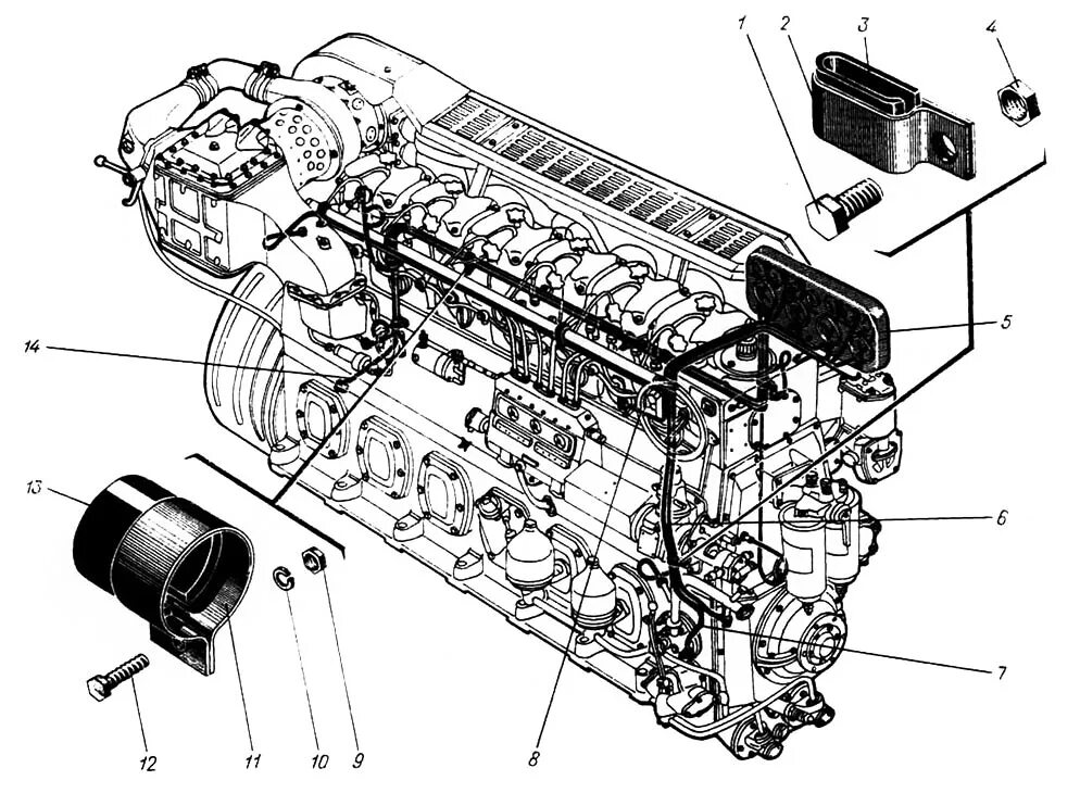
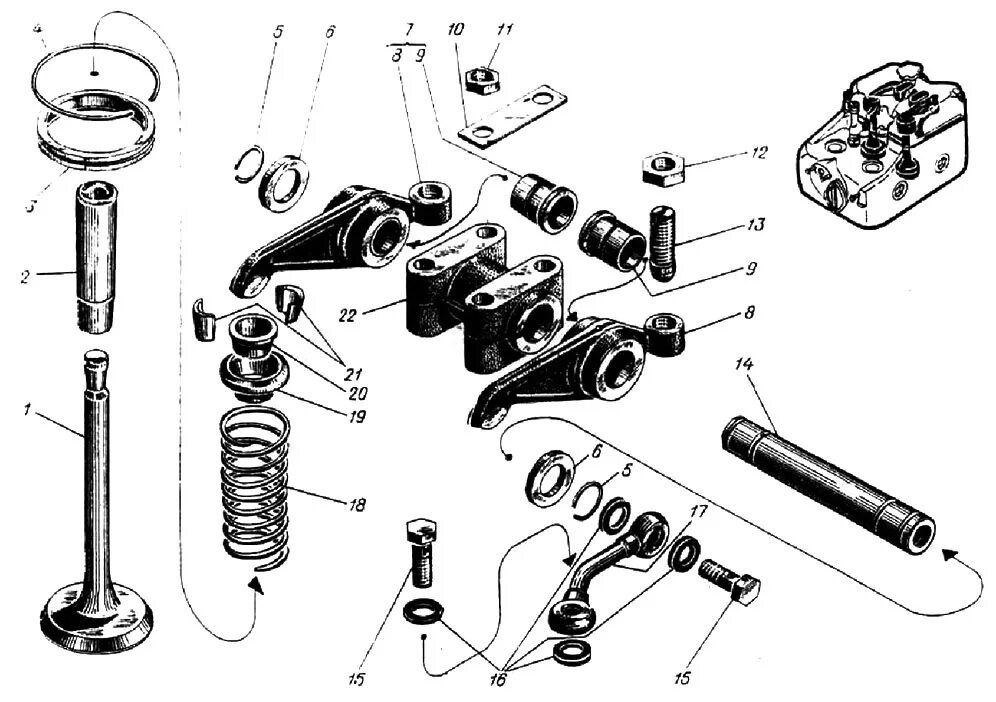
18 22 ч 5