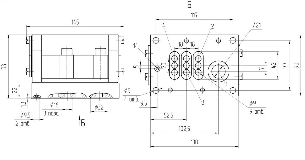
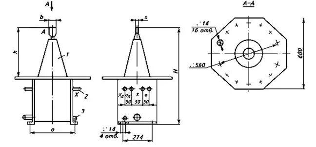
2 15 63