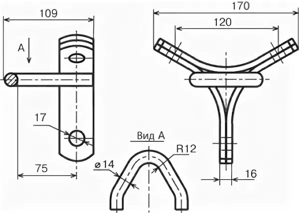
2ку 12 1