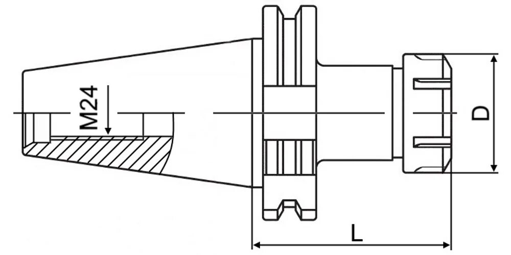
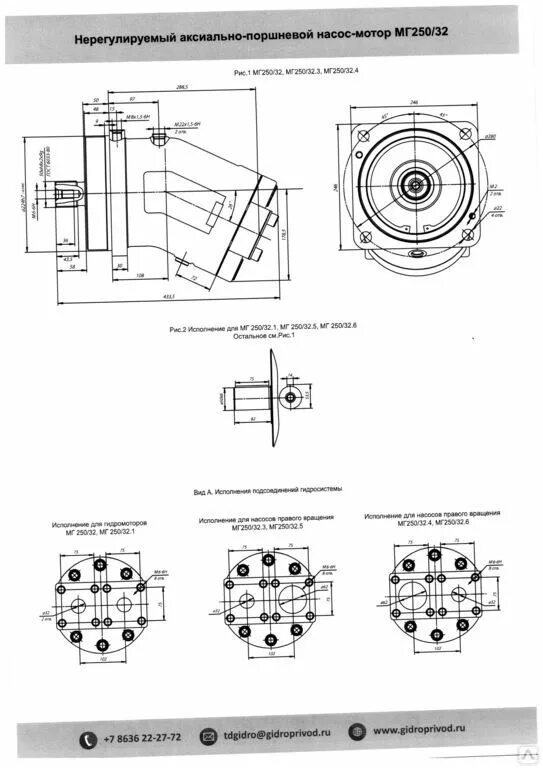
3 250 32