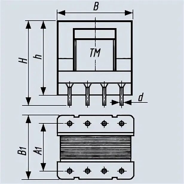
38 трансформаторы