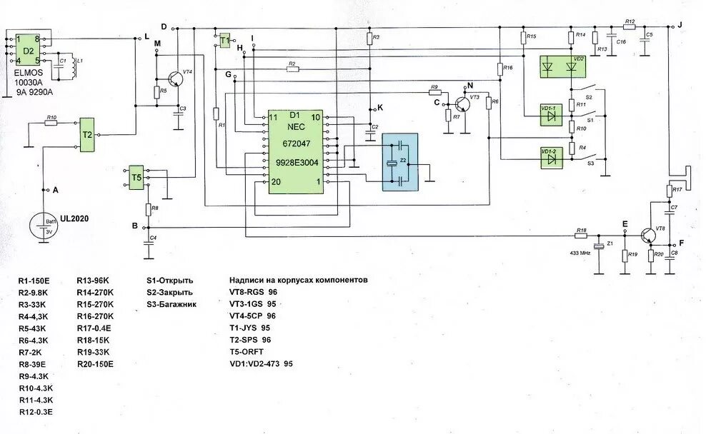
5 18 15 27