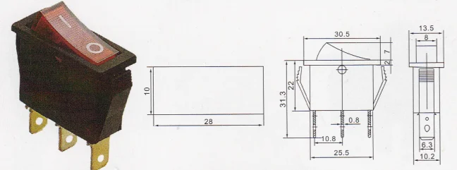
7 102 3 16 10 4