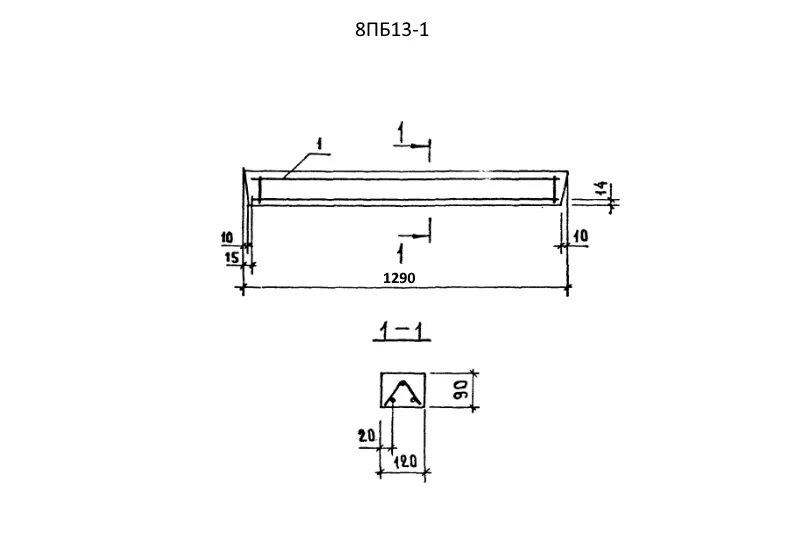
8пб13 1