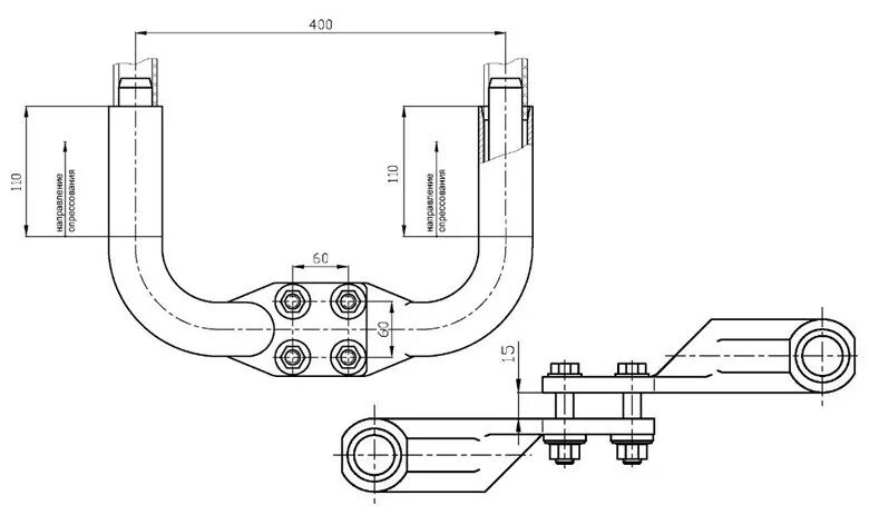
А4а 400 2т