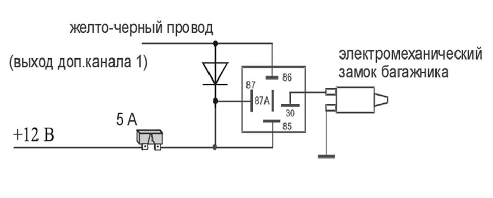
А93 открыть багажник с брелка