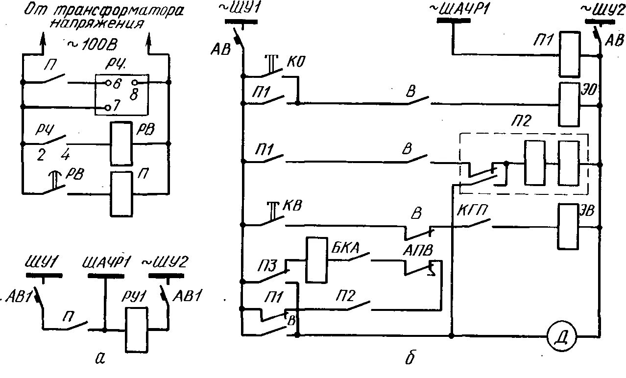
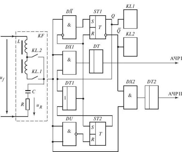
Ачр