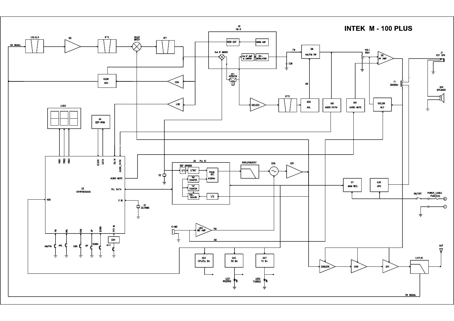
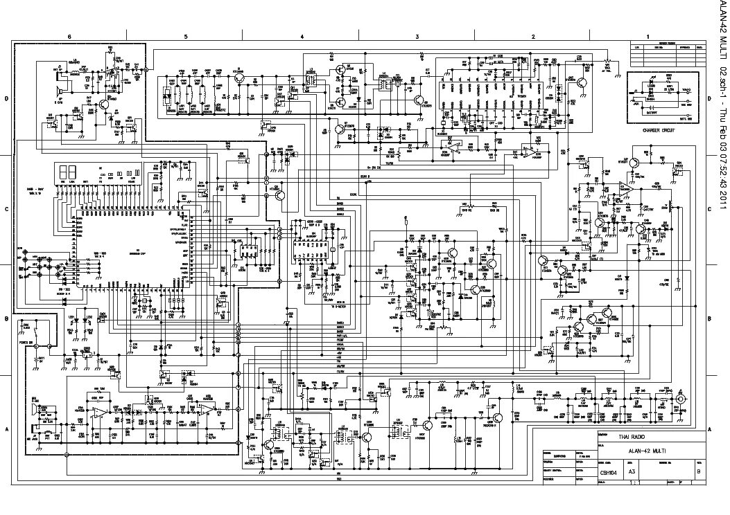
Alan 100 схема