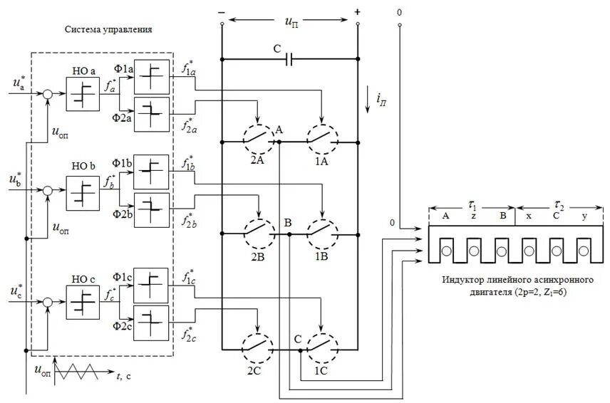
Асинхронная система управления