Главная
»
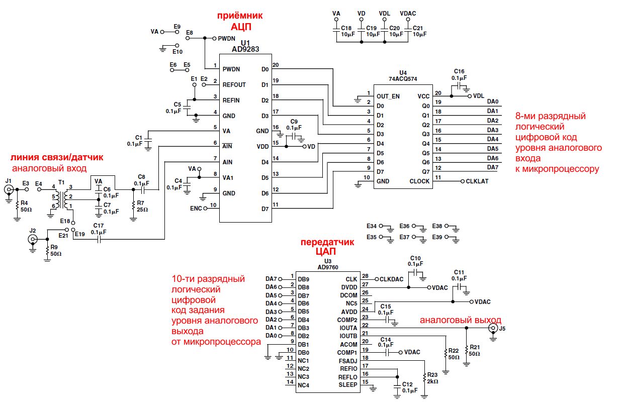
Ацп 8 6 40
Ацп 8 6 40. Мультиметр на ацп ad7705. ad7705 – spi модуль ацпцап 16 бит. плата ацп ad7705. микросхема. ацп ad7706bn.
« Предыдущее
28 / 40
Следующее »