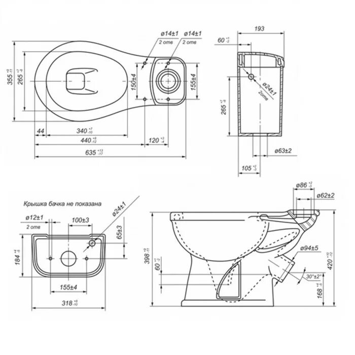
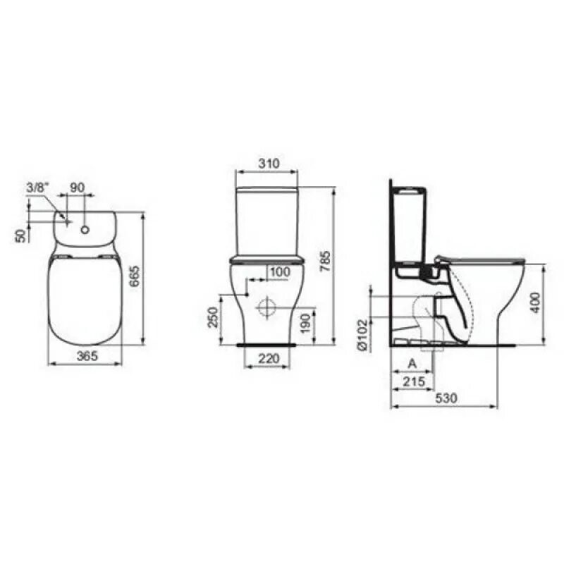
Бачок унитаза стандарты