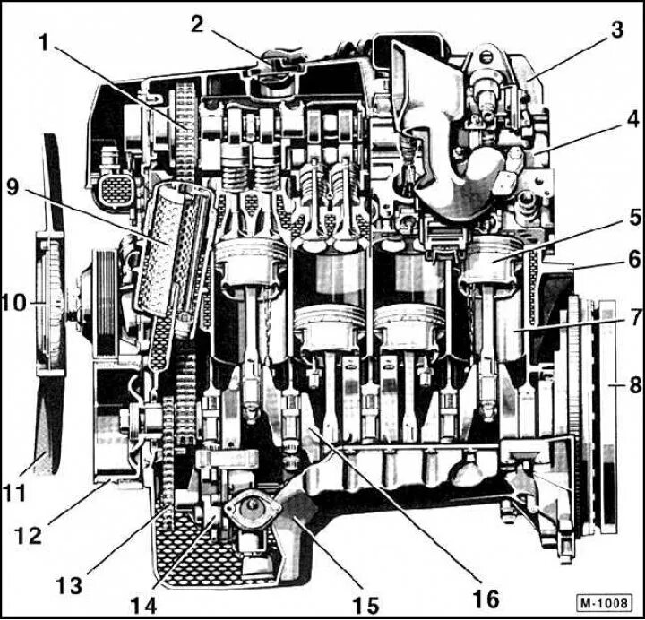
Бензиновый двигатель состоит из