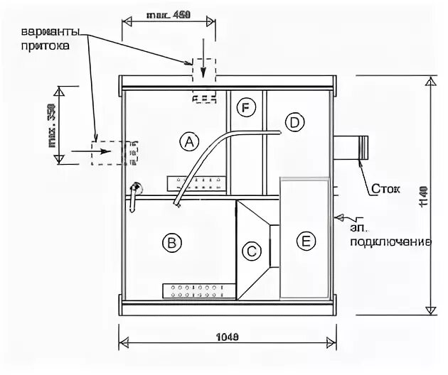
Блок управления топас 5