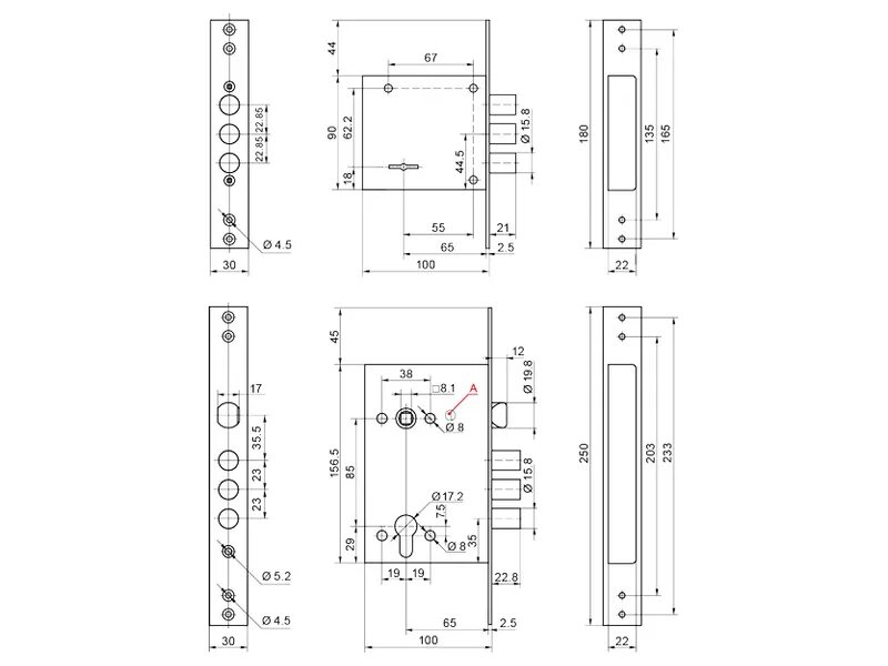
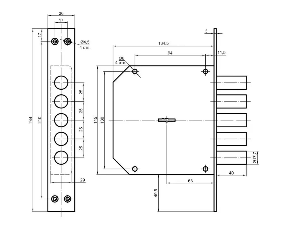
Бордер размеры