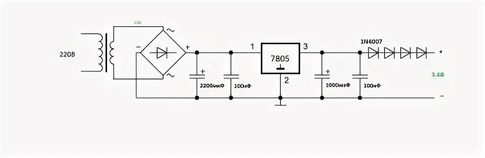
Бп 3 вольта