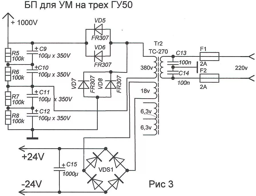
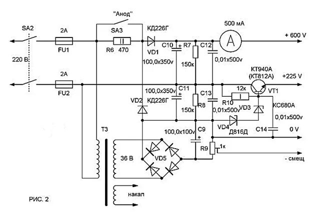
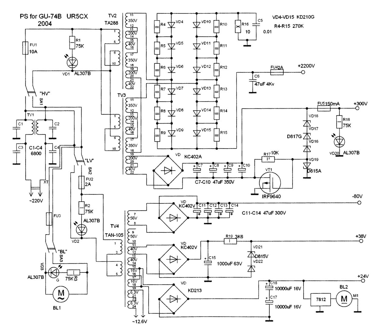
Бп гу