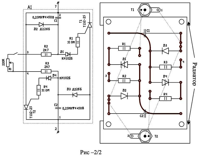
Брудер для бройлеров своими руками чертежи