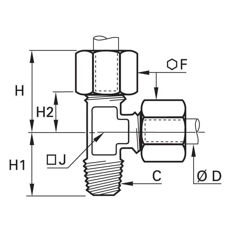
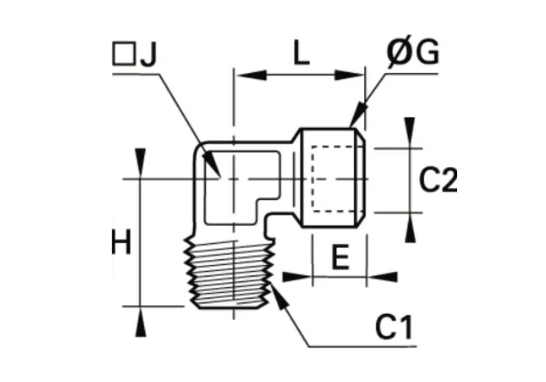
Bspt резьба