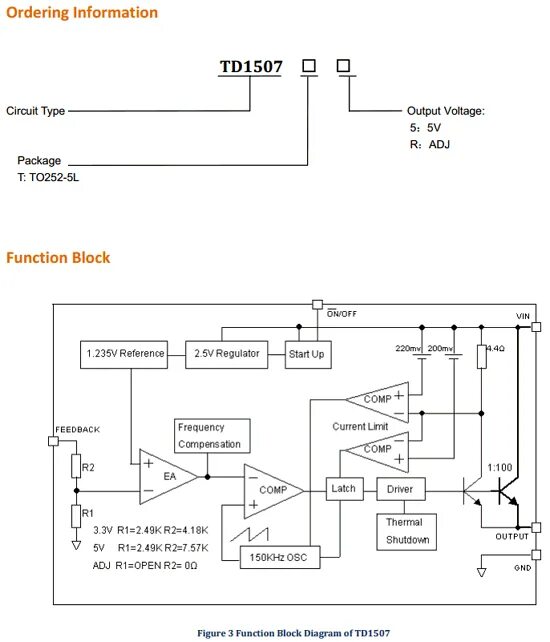
Center td tr tr td