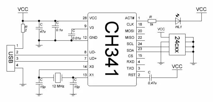
Ch341a драйвер и программа