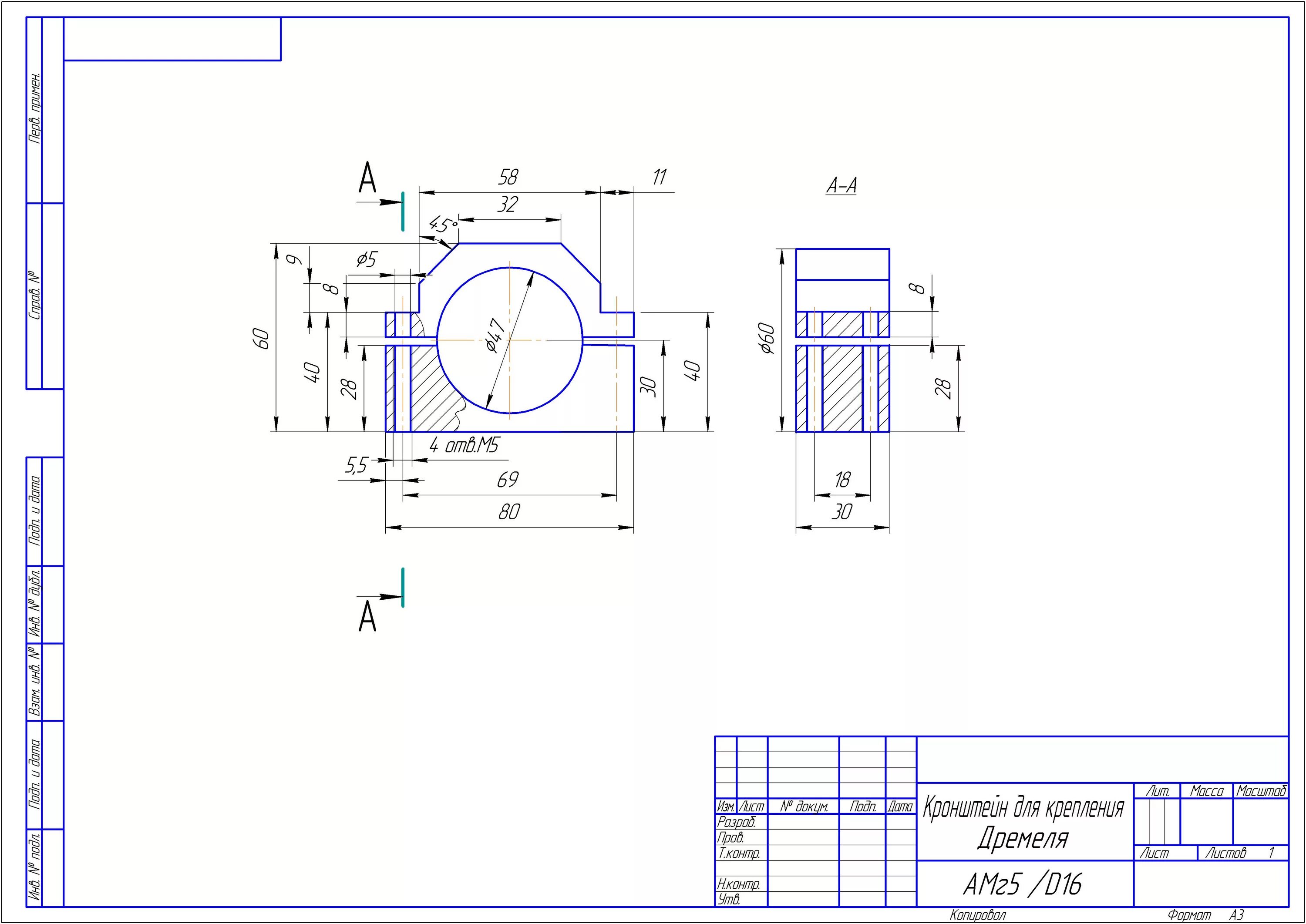
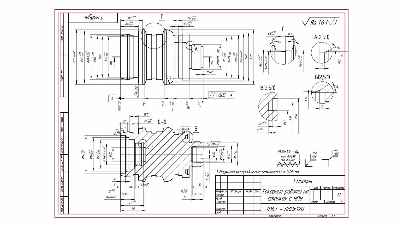
Чертеж детали для чпу