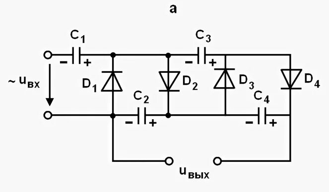
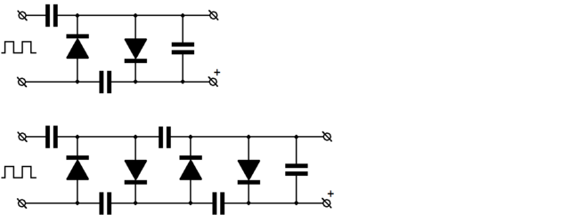
Что такое умножитель напряжения