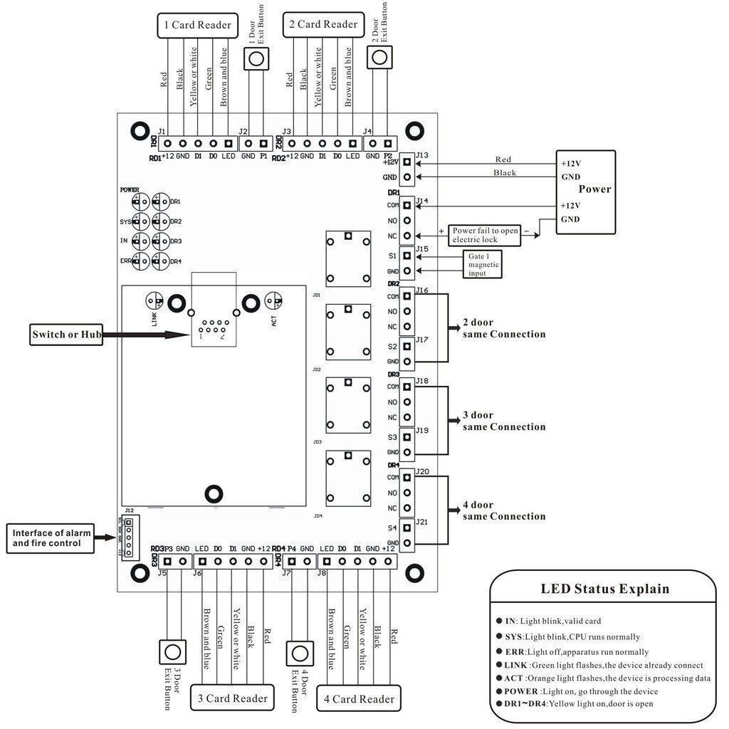
Control v 2.1