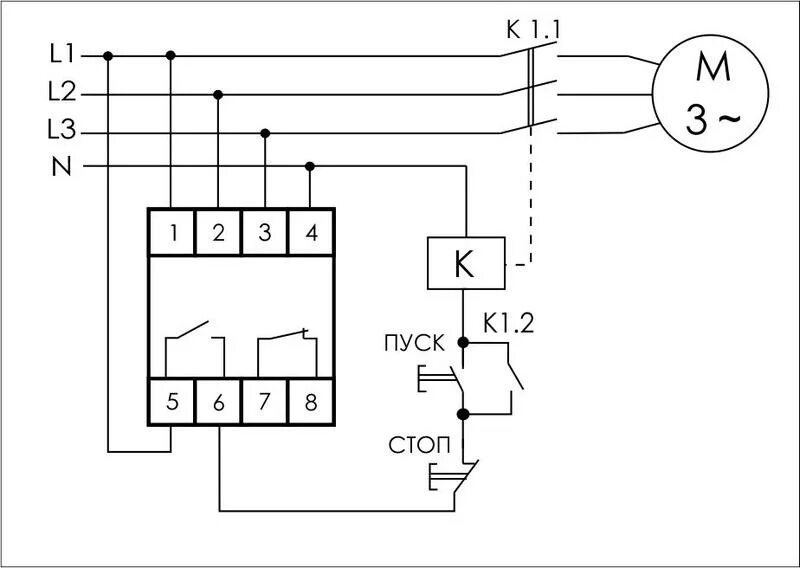
Czf 312