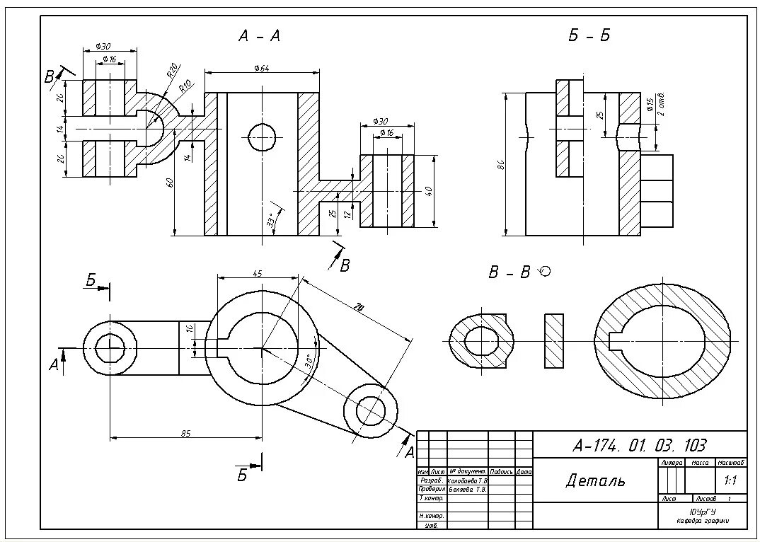
Деталь а3