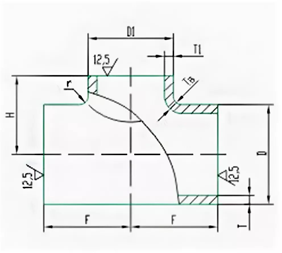
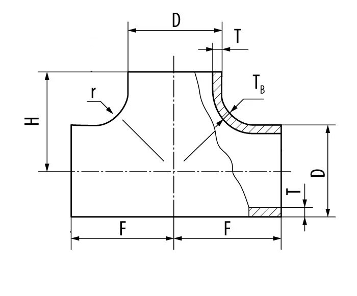
Длины тройников стальных