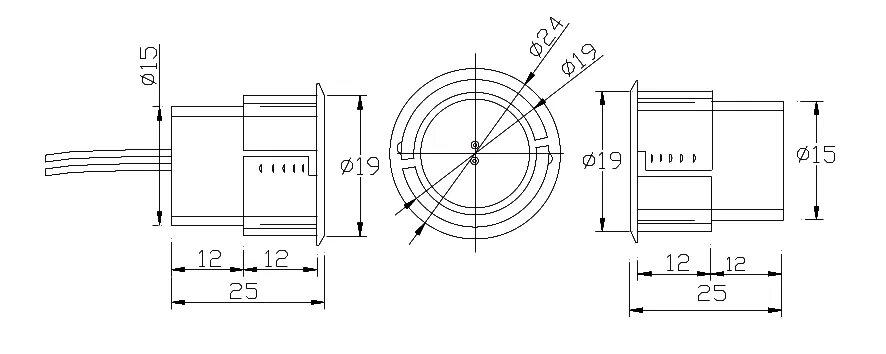
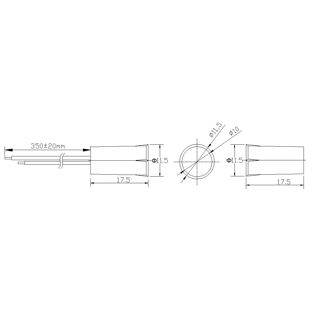
Dm030nc wt