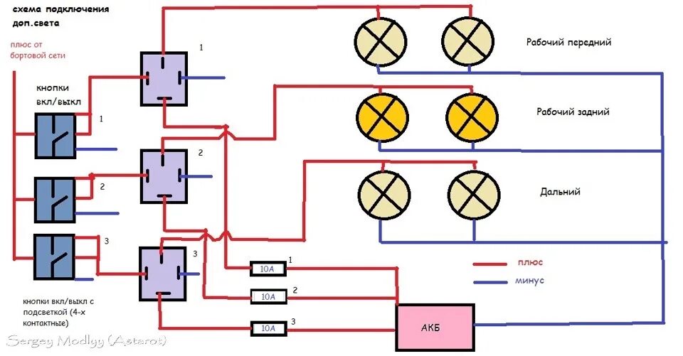
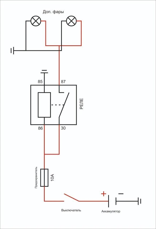
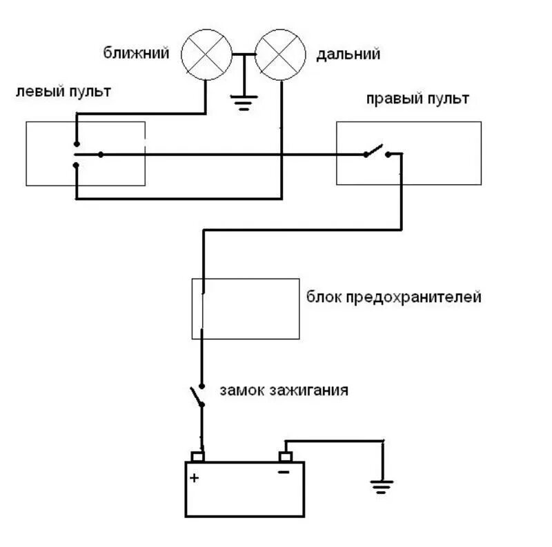
Дополнительные фары схема подключения