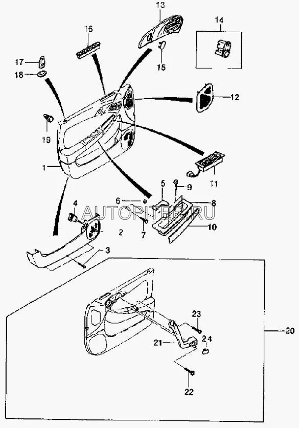
Двери daewoo espero