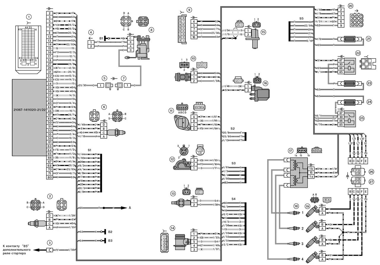
Эл схема инжектора