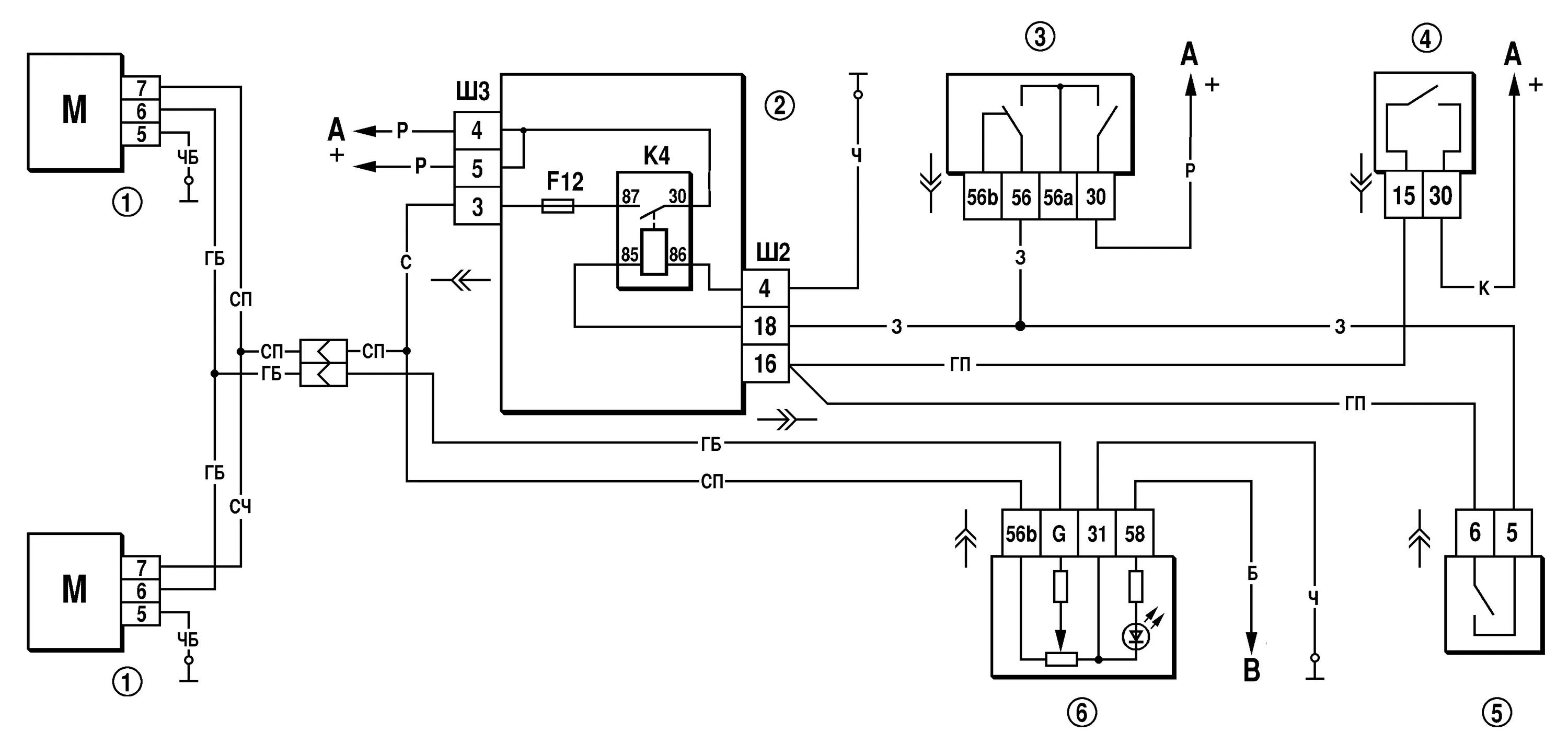
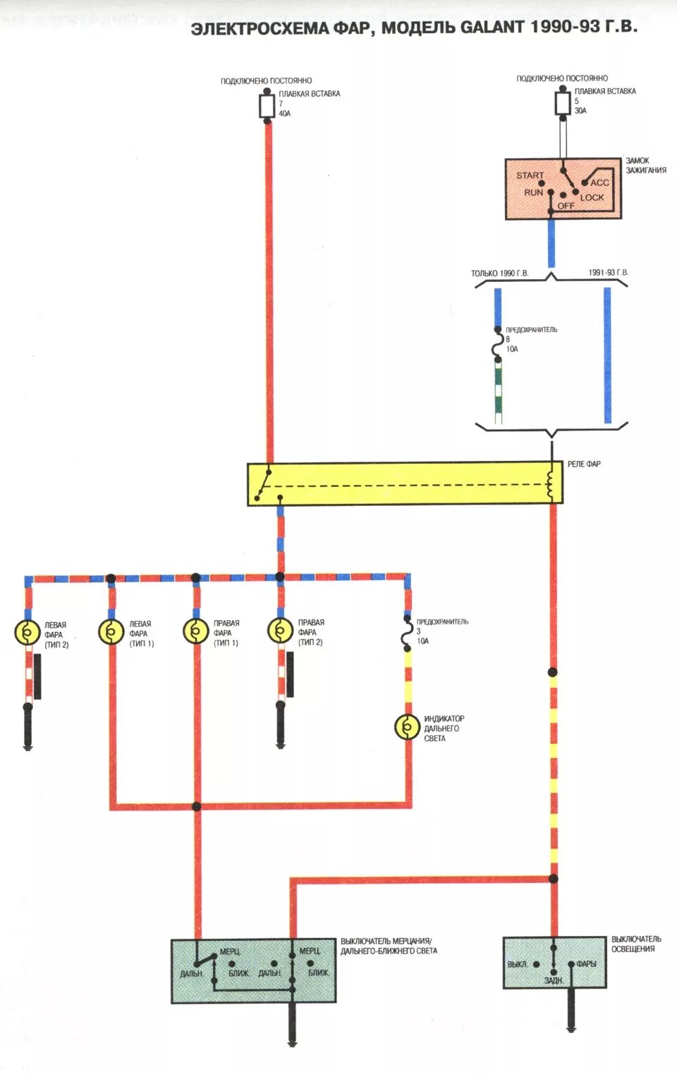
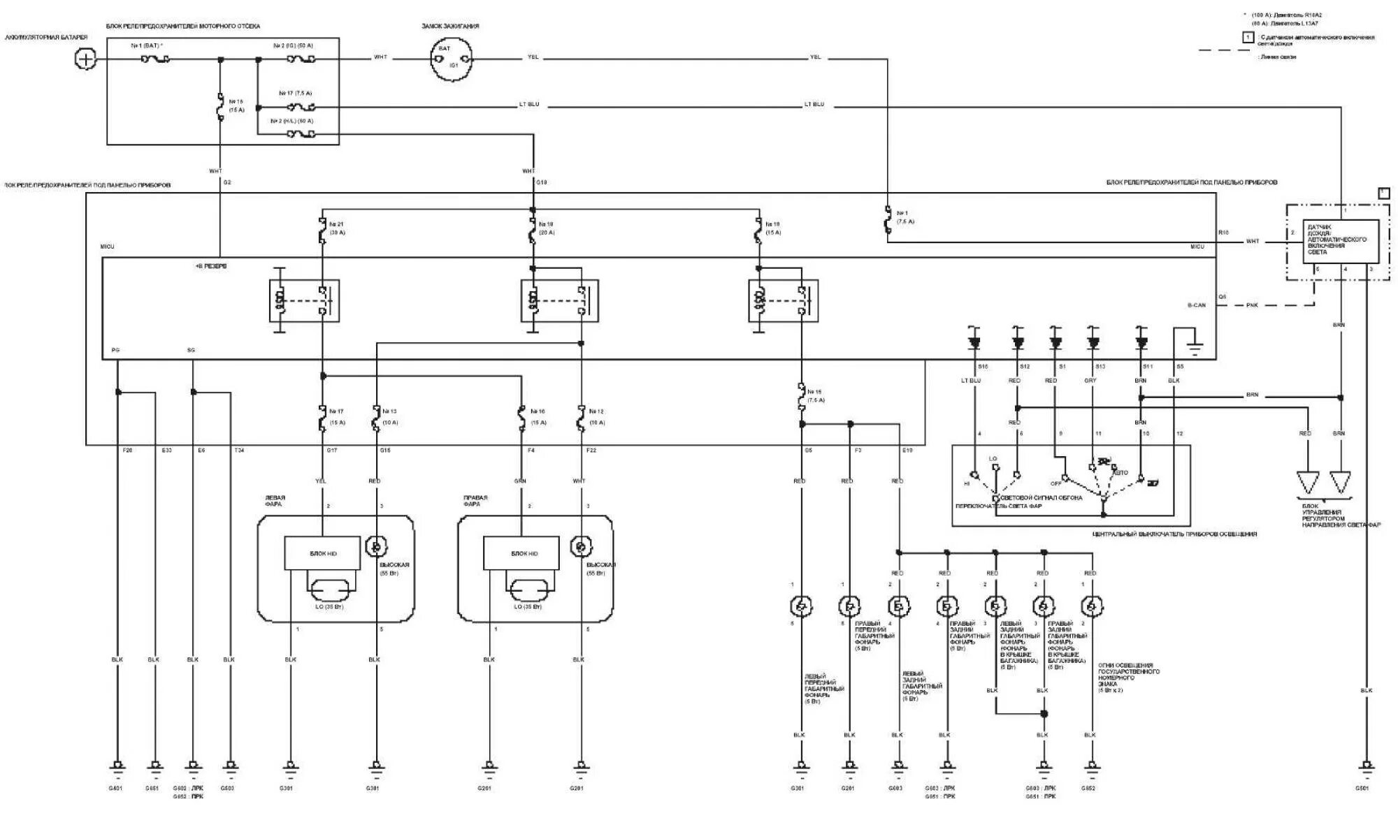
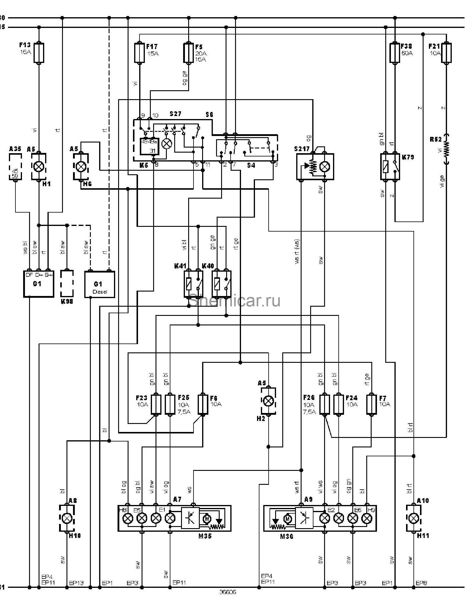
Электрическая схема фар