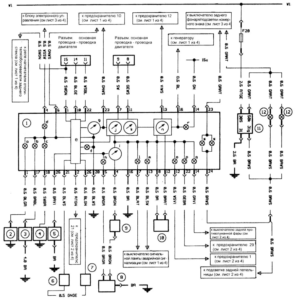
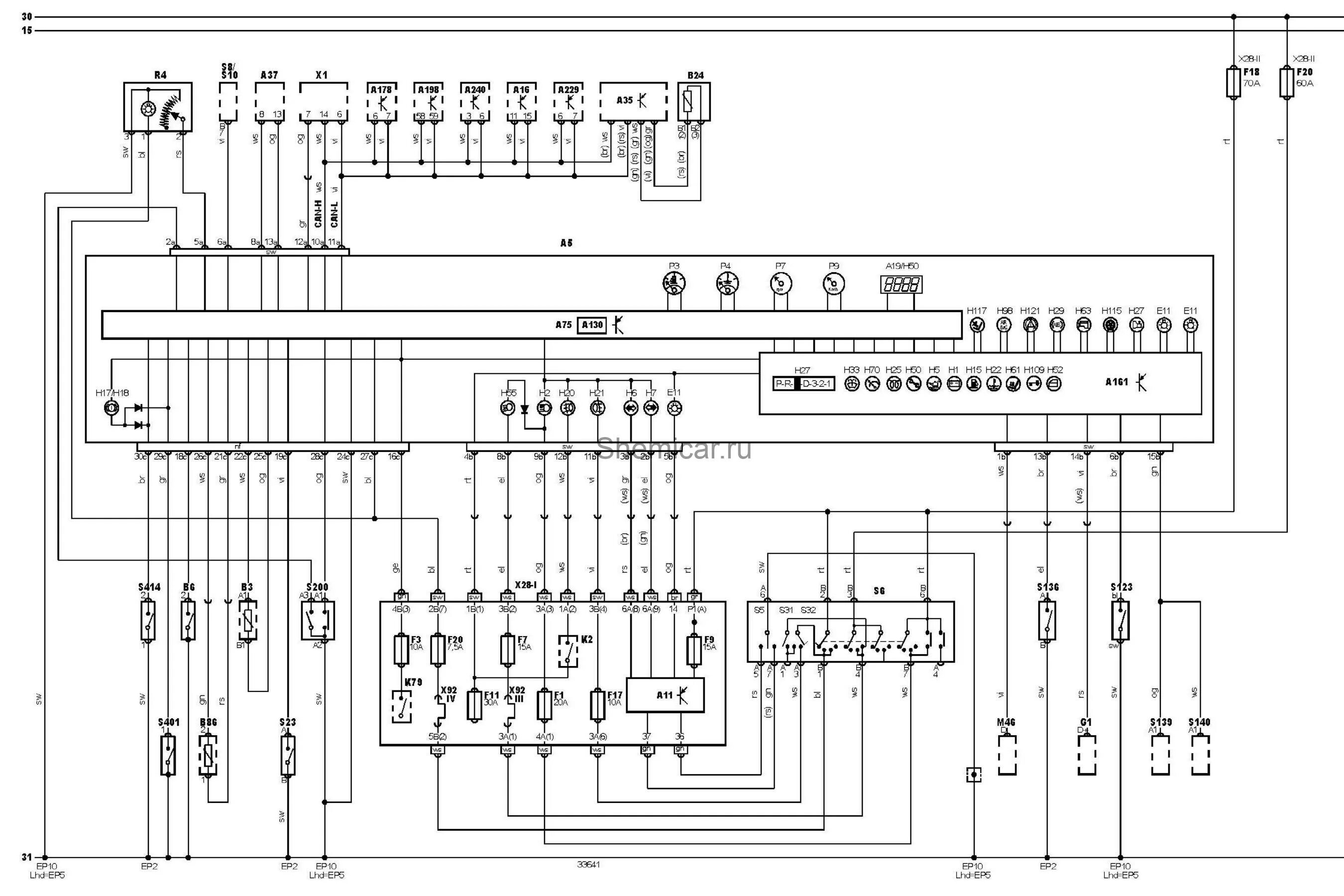
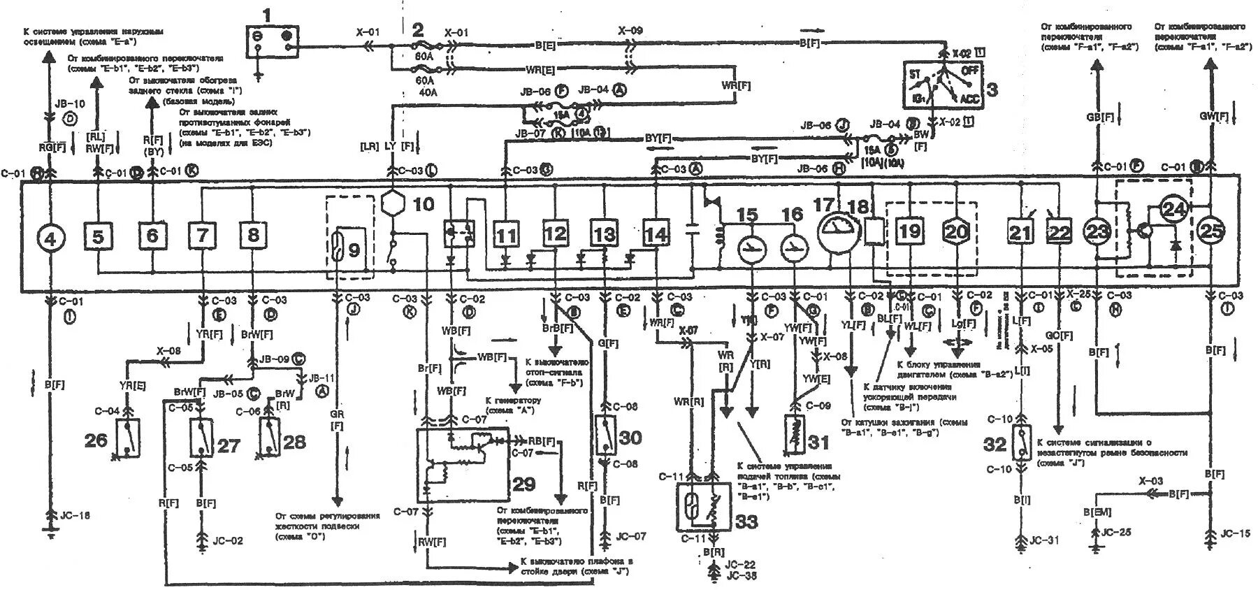
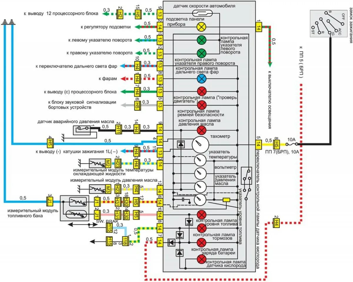
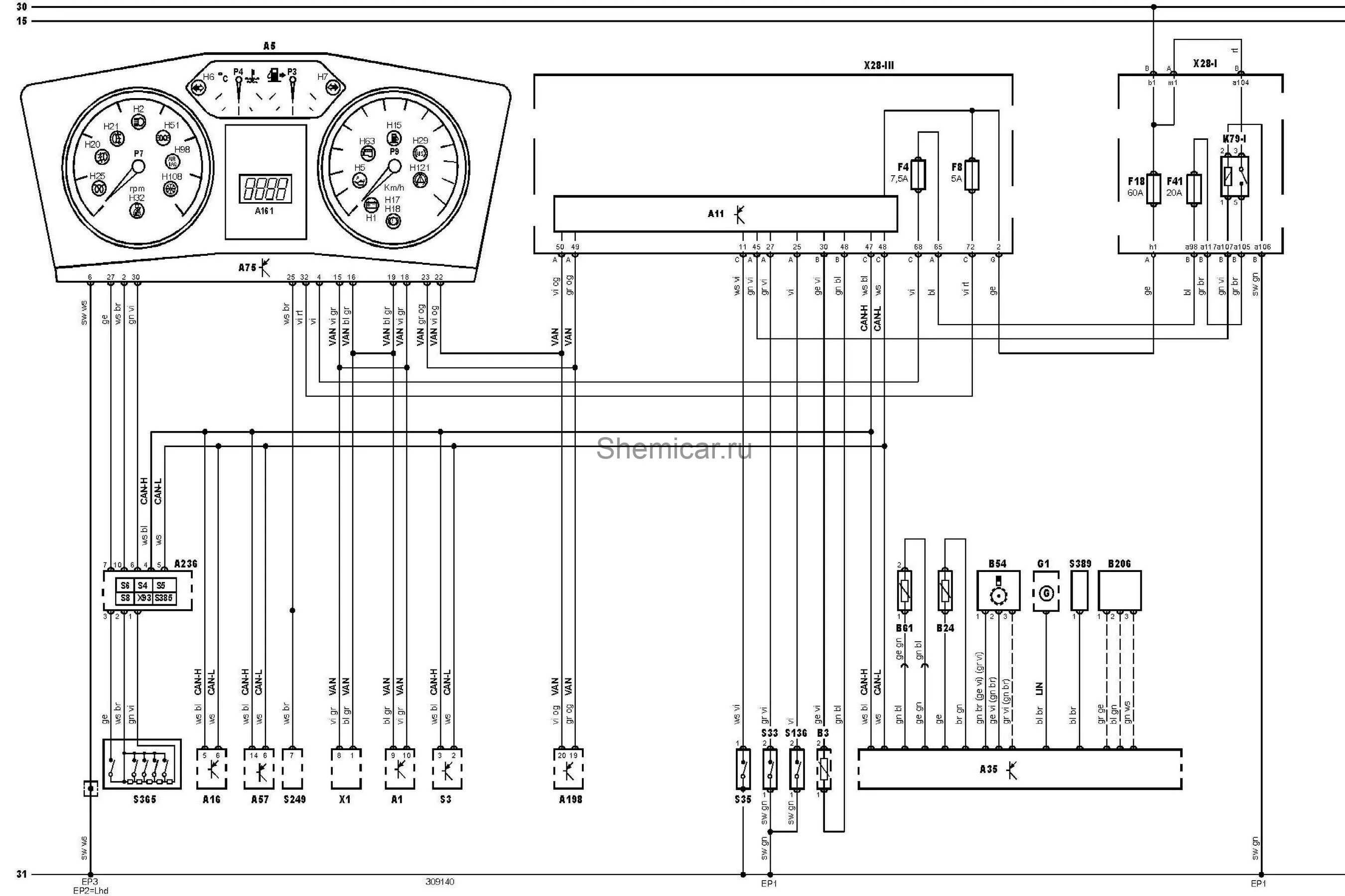
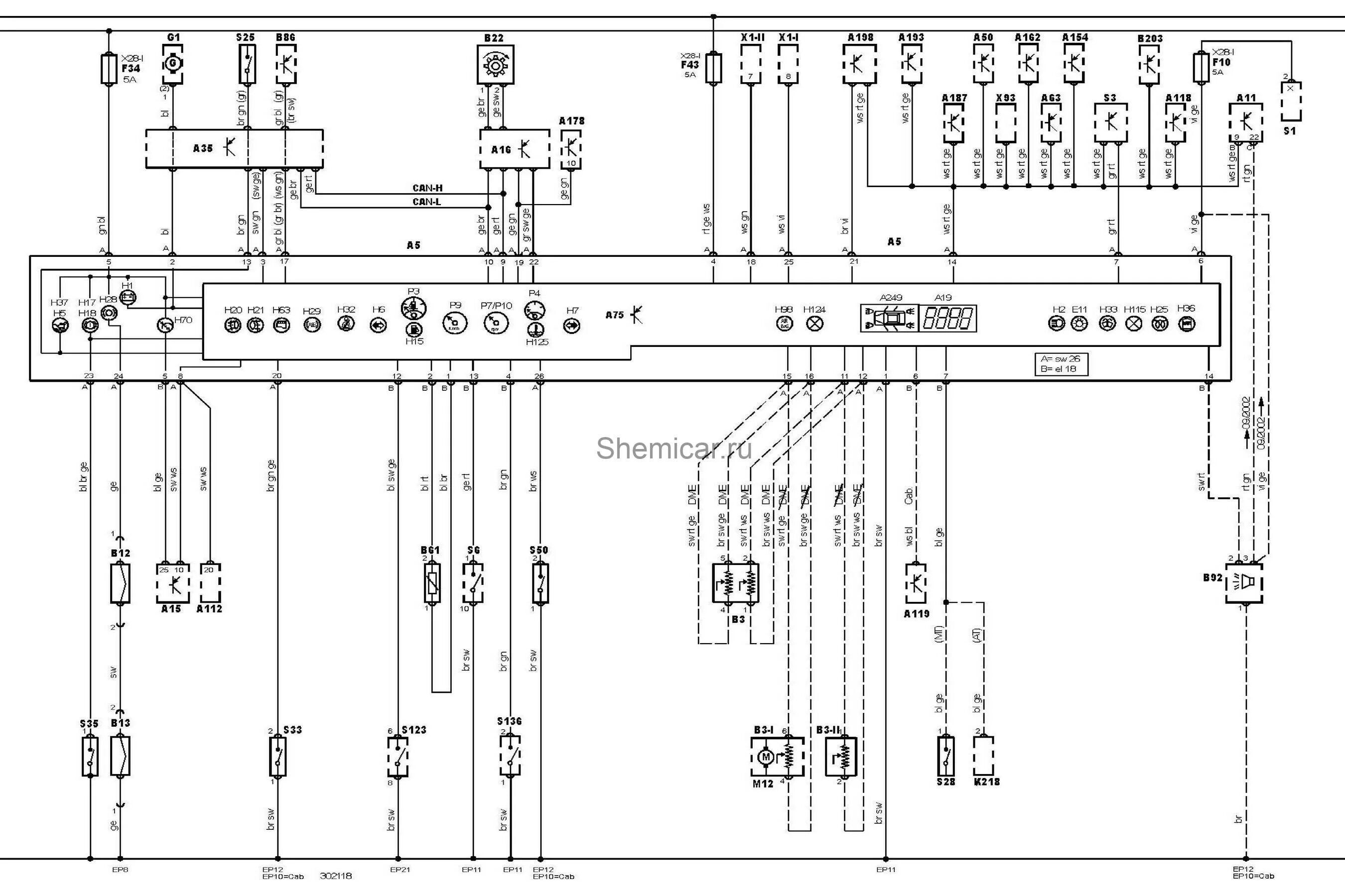
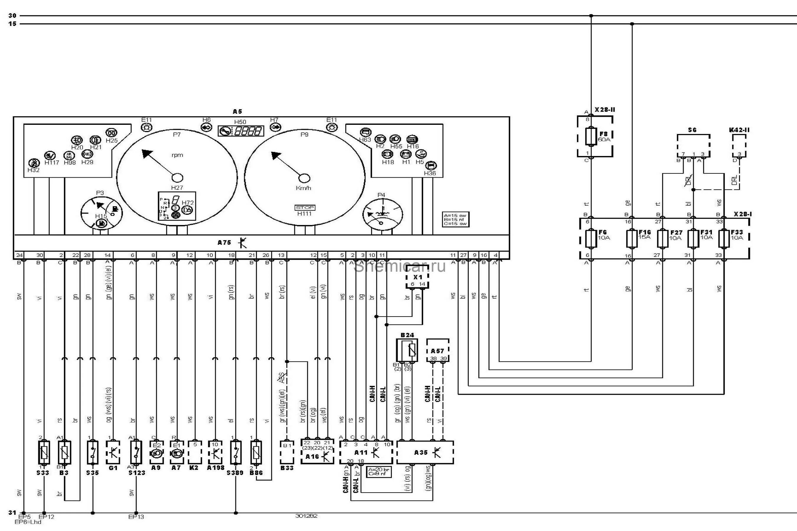
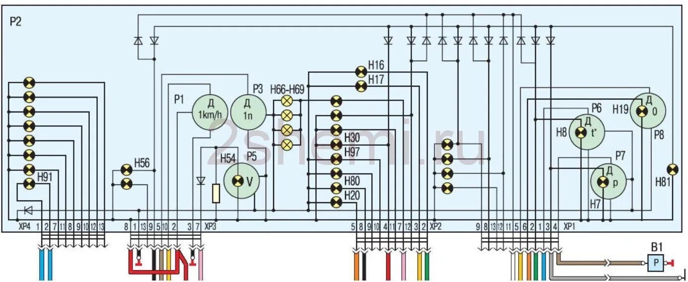
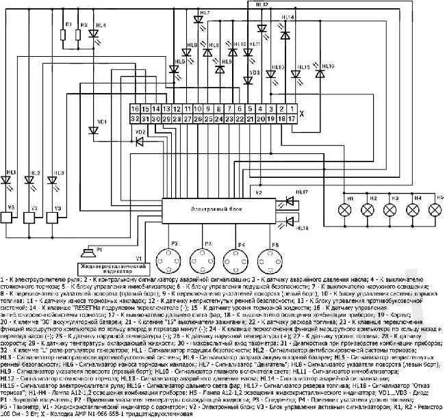
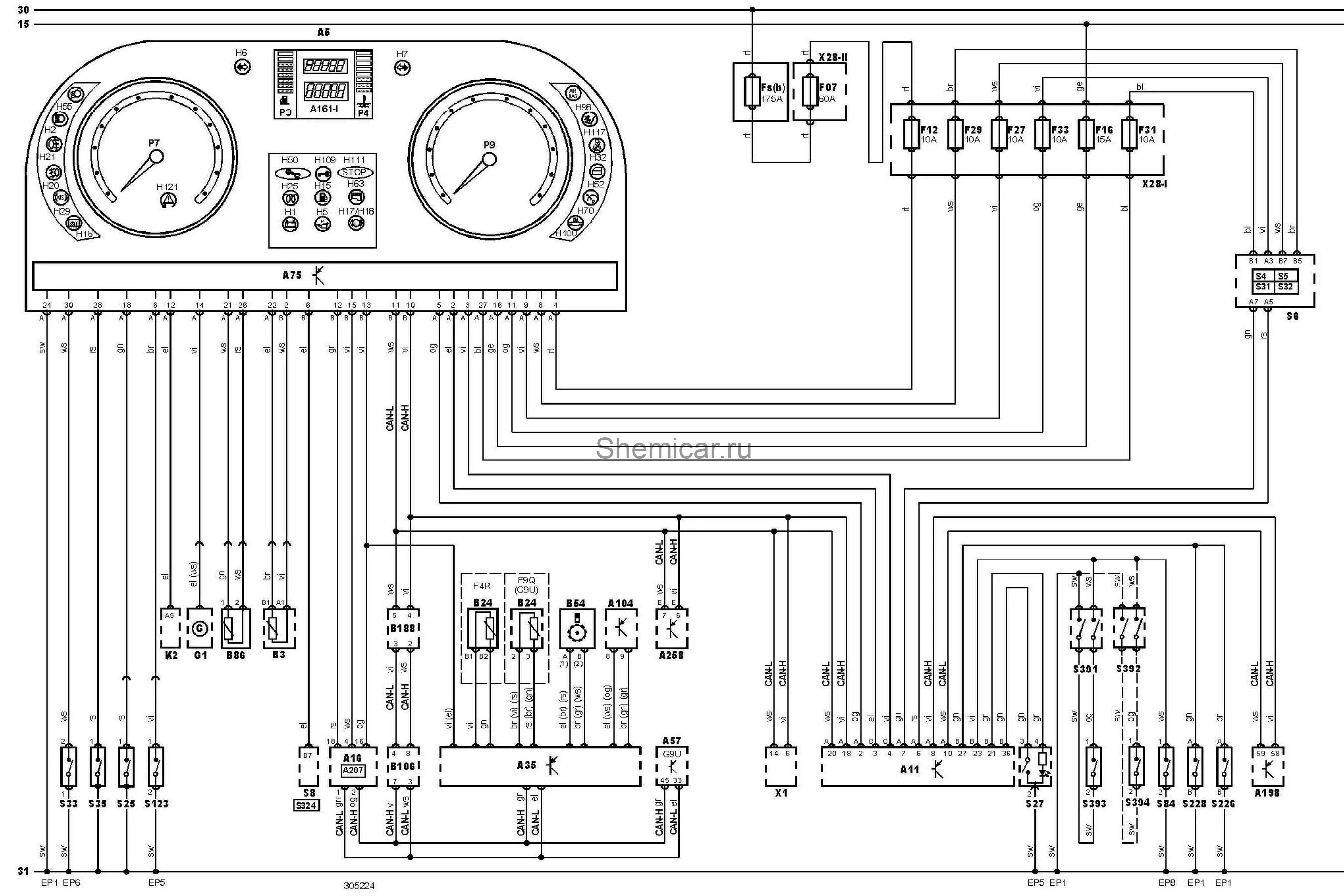
Электрическая схема панели приборов