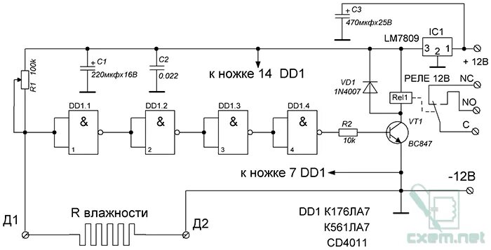
Электрические схемы датчиков температуры