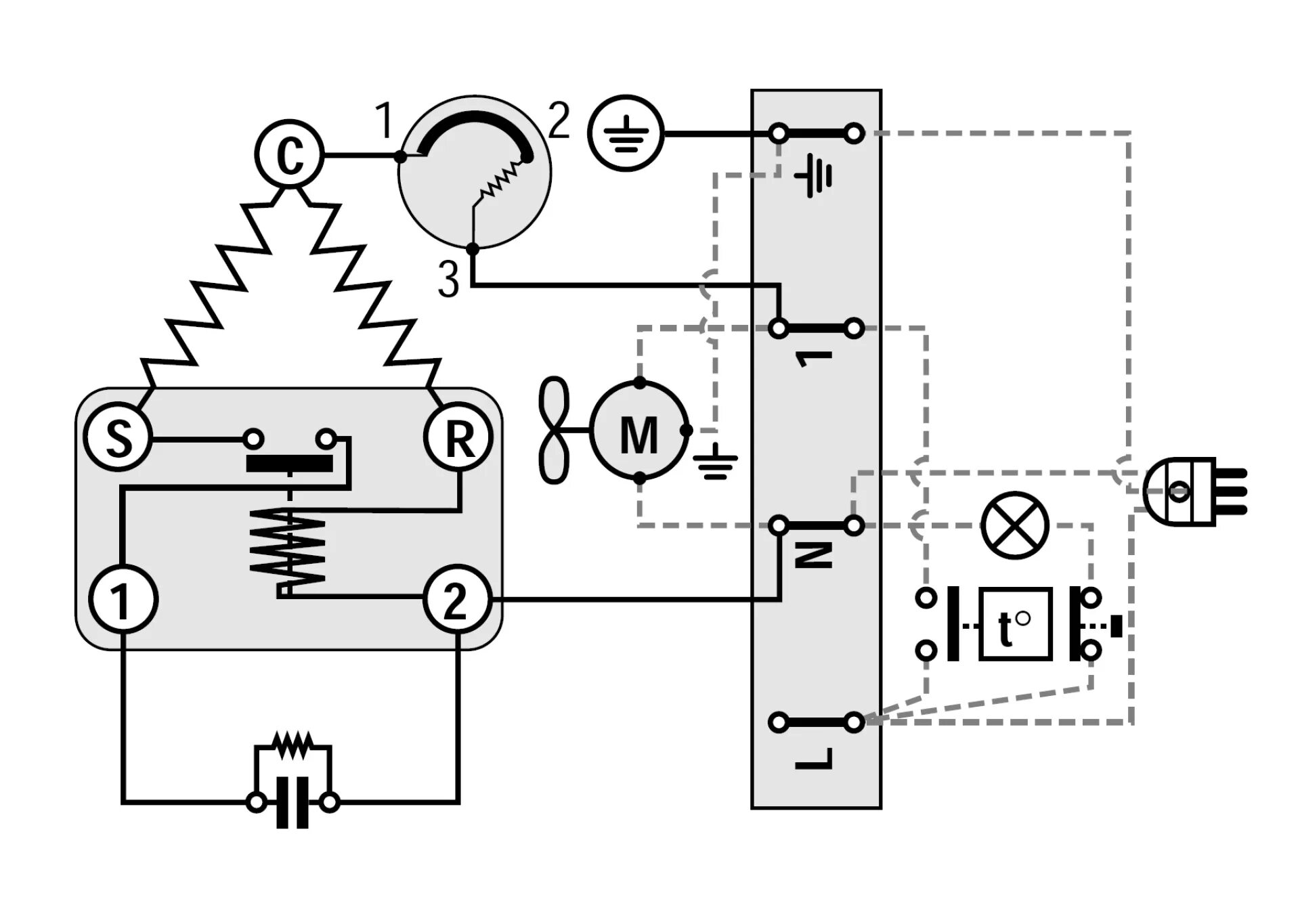
Электропитание компрессора