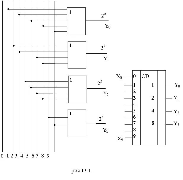
Элемент и на 4 входа