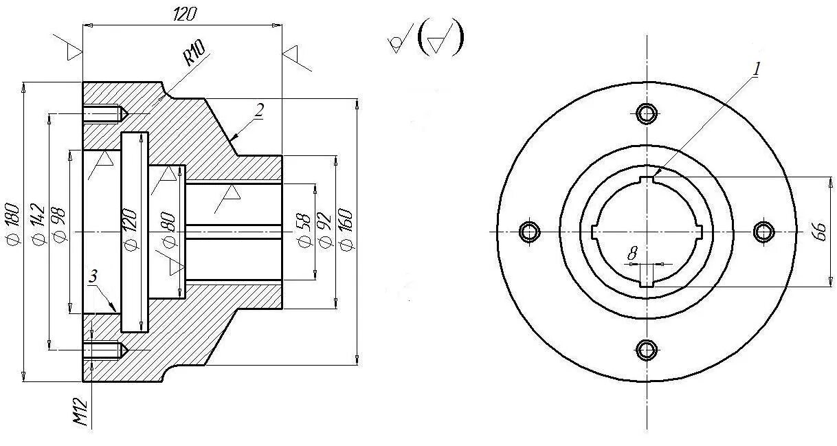
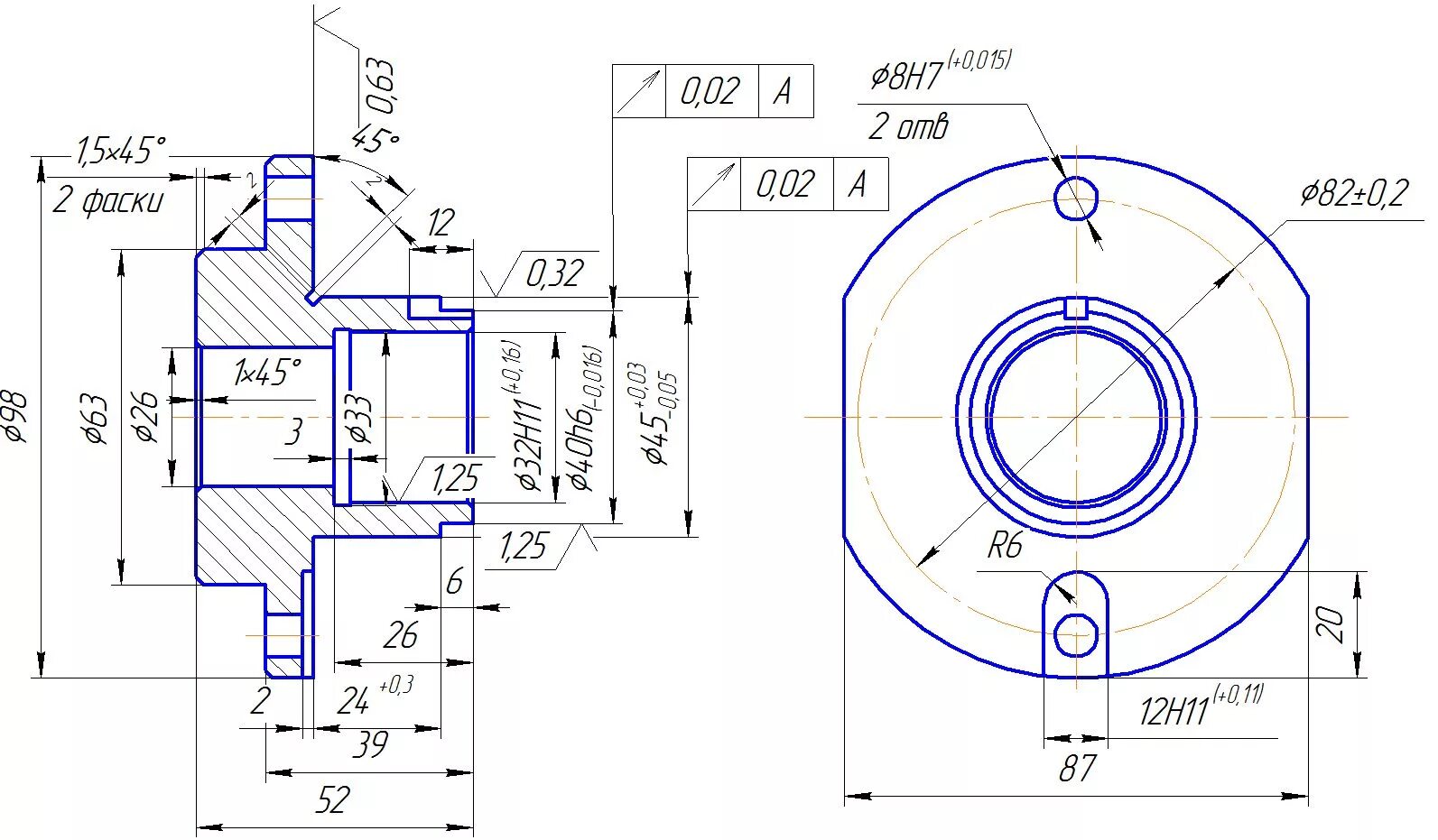
Элементы фланца