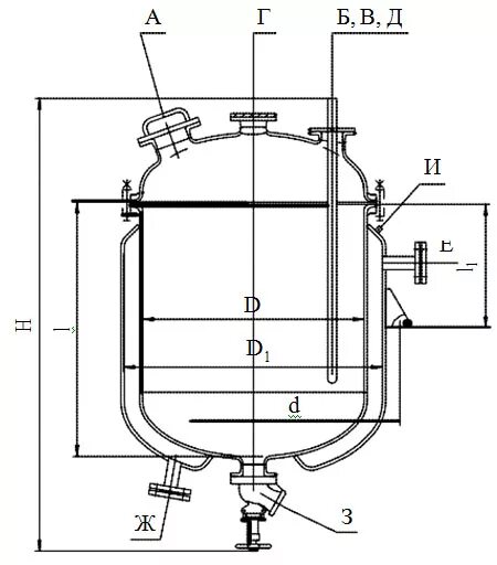
Емкость 0 3 м3