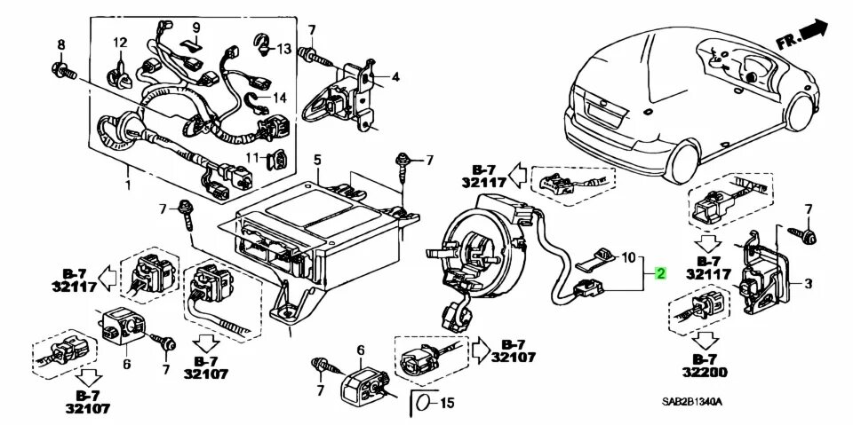
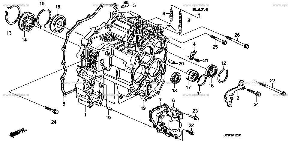
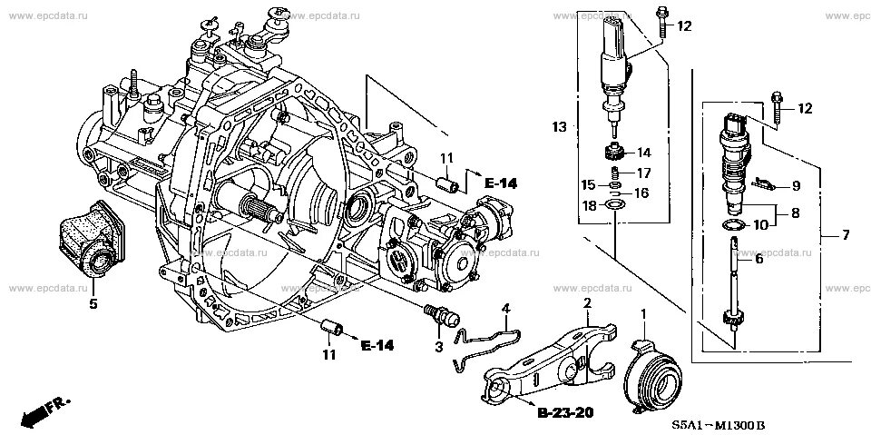
Epcdata honda