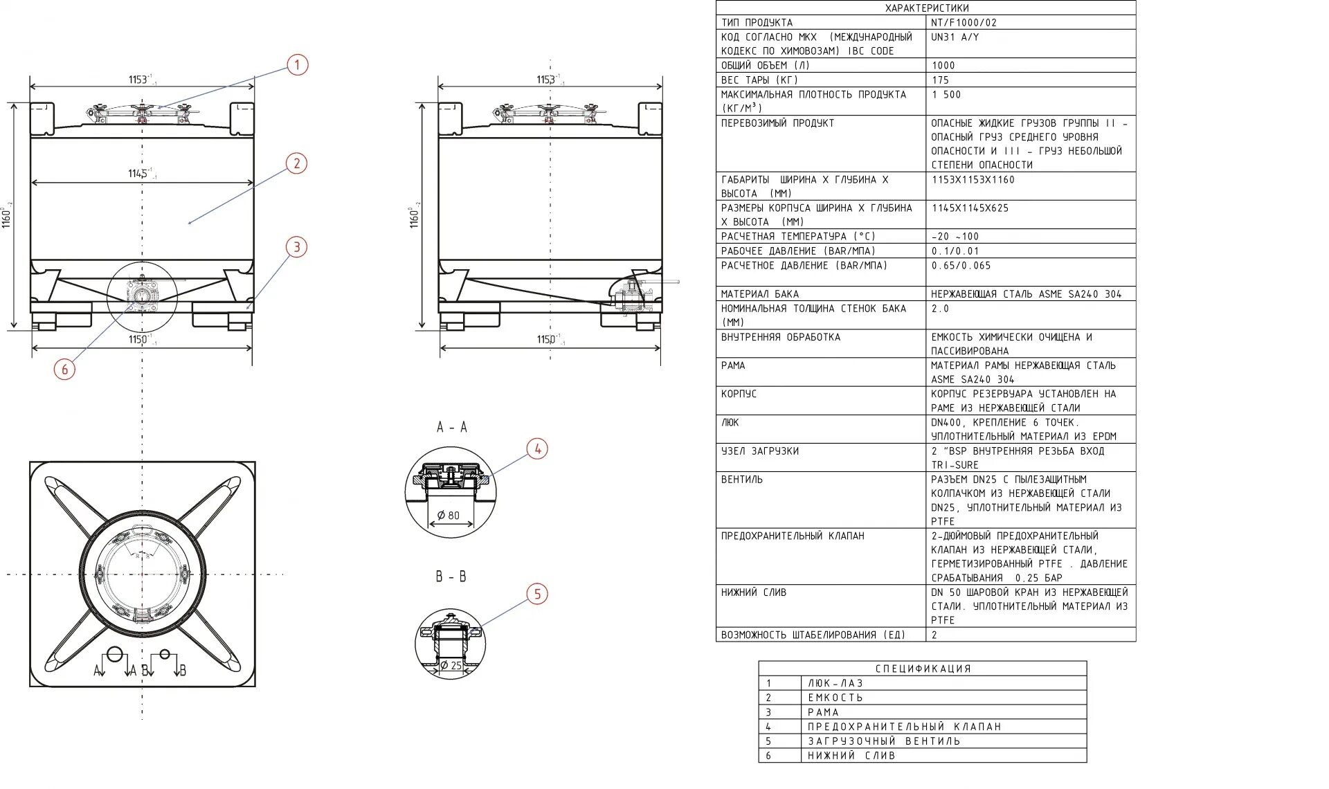
Еврокуб размеры и вес