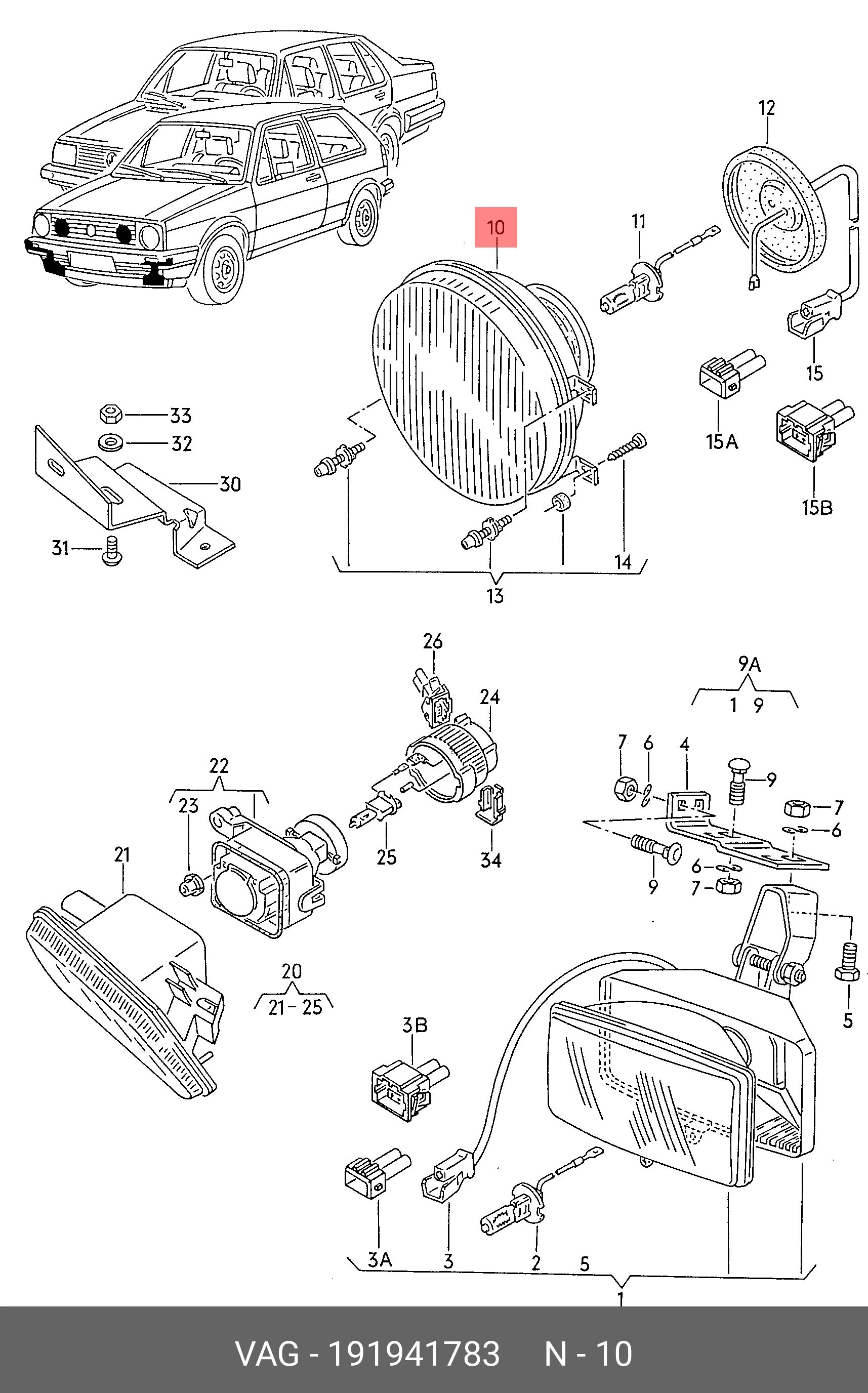
Фара jetta 2