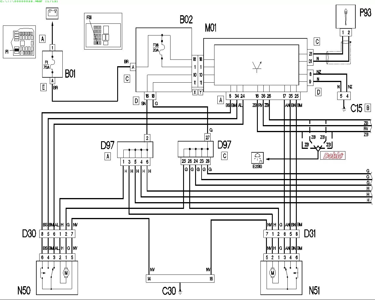
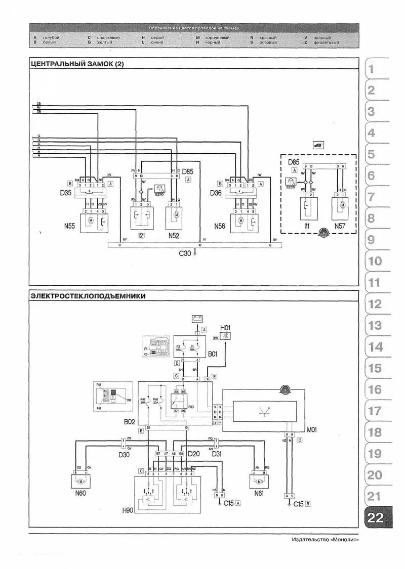
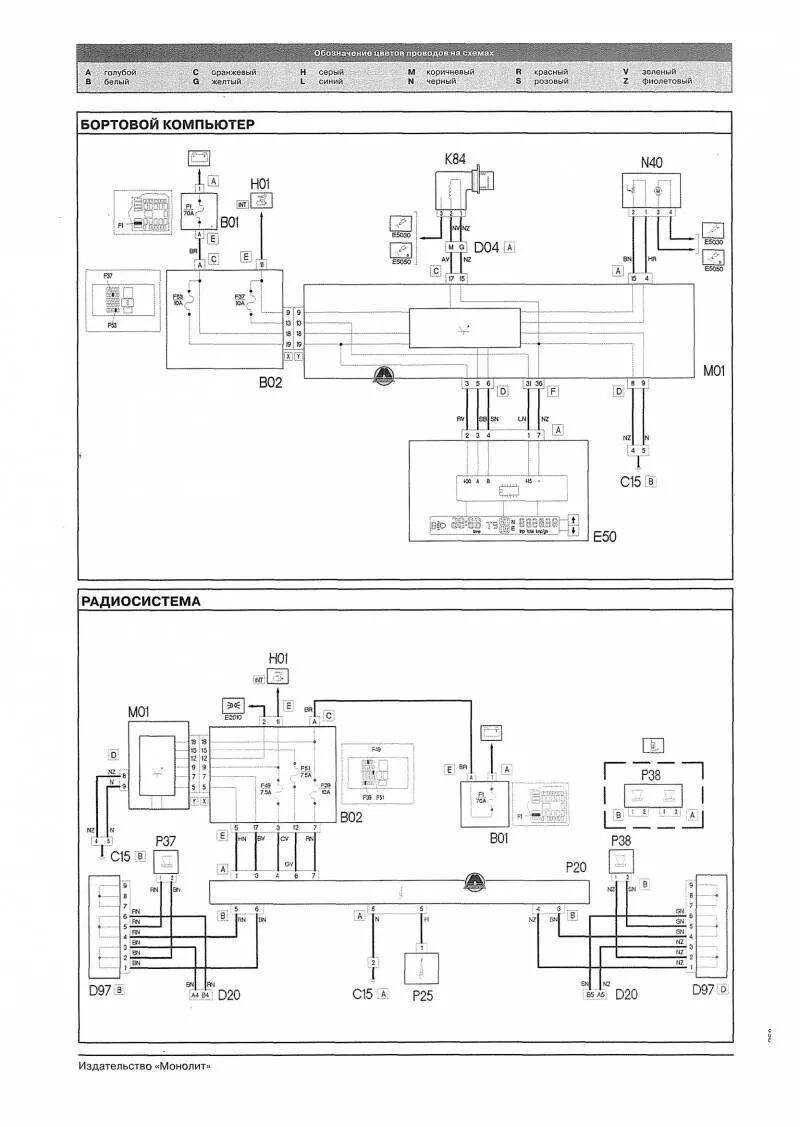
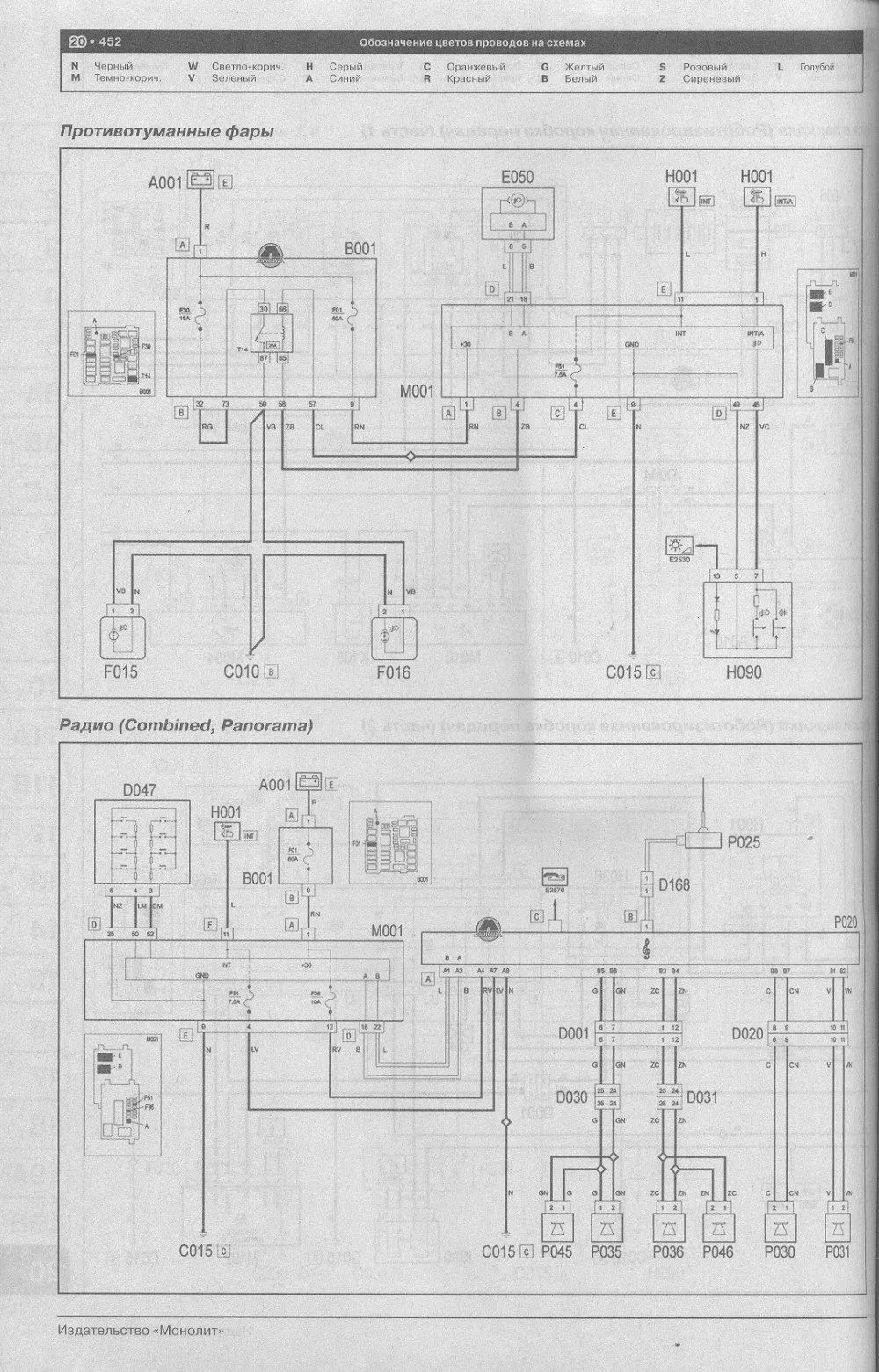
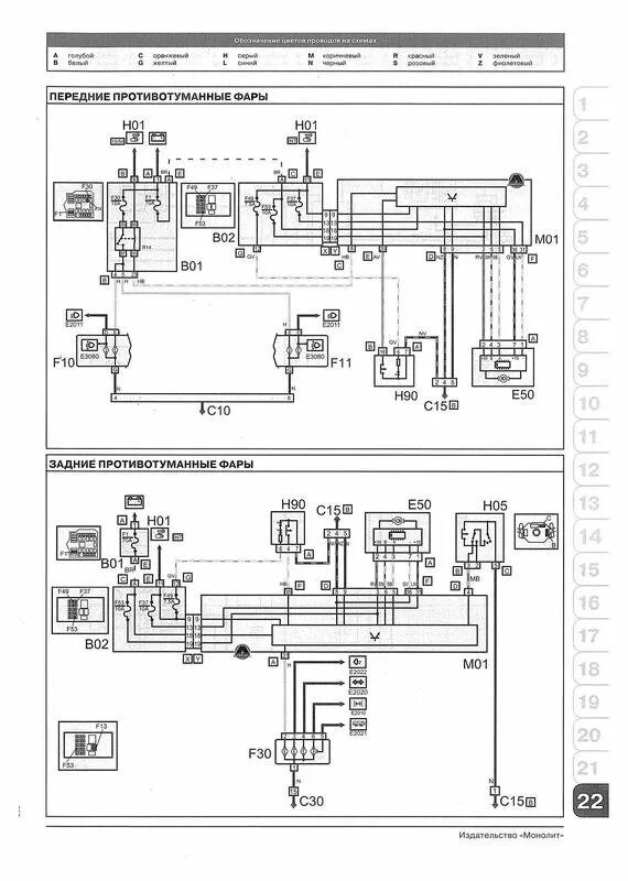
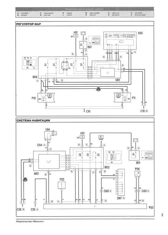
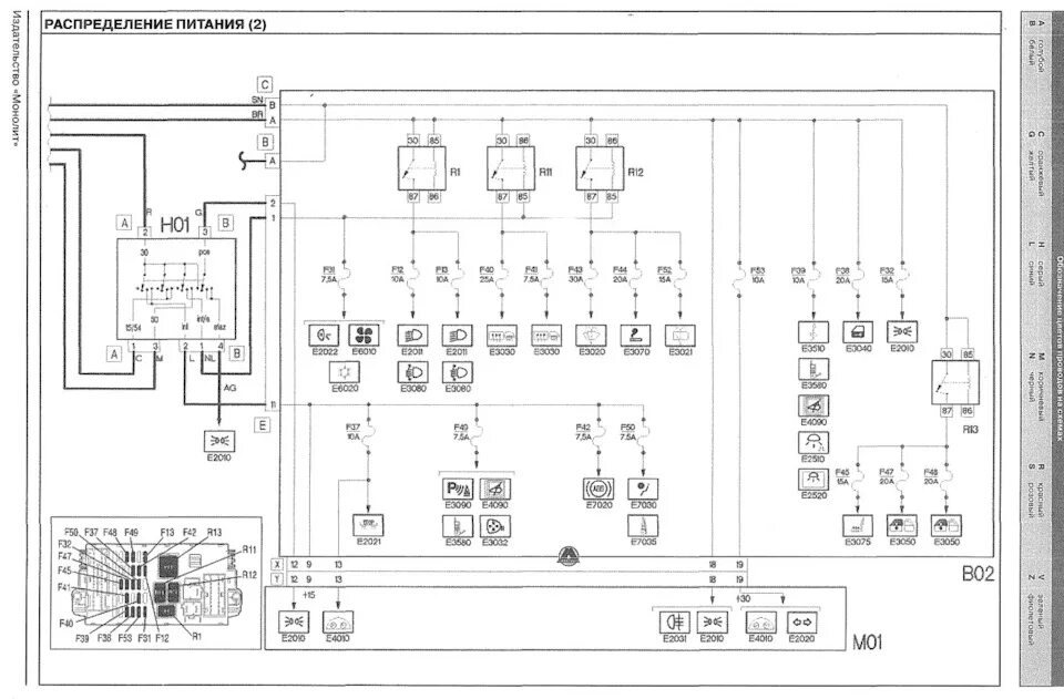
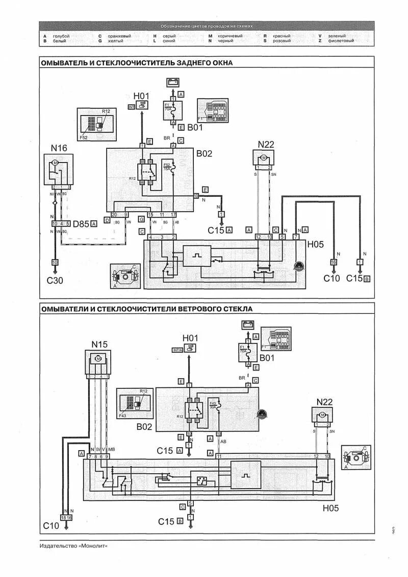
Fiat doblo схема