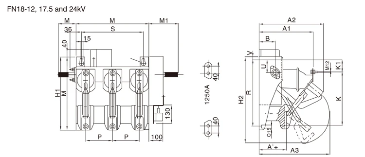
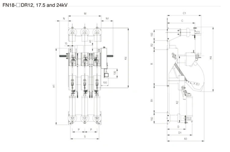
Fn 18