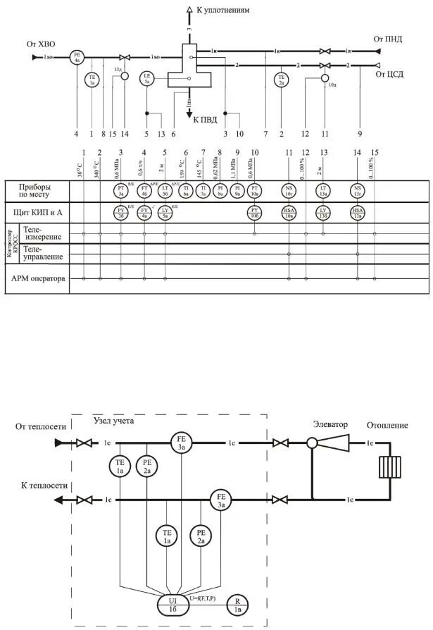
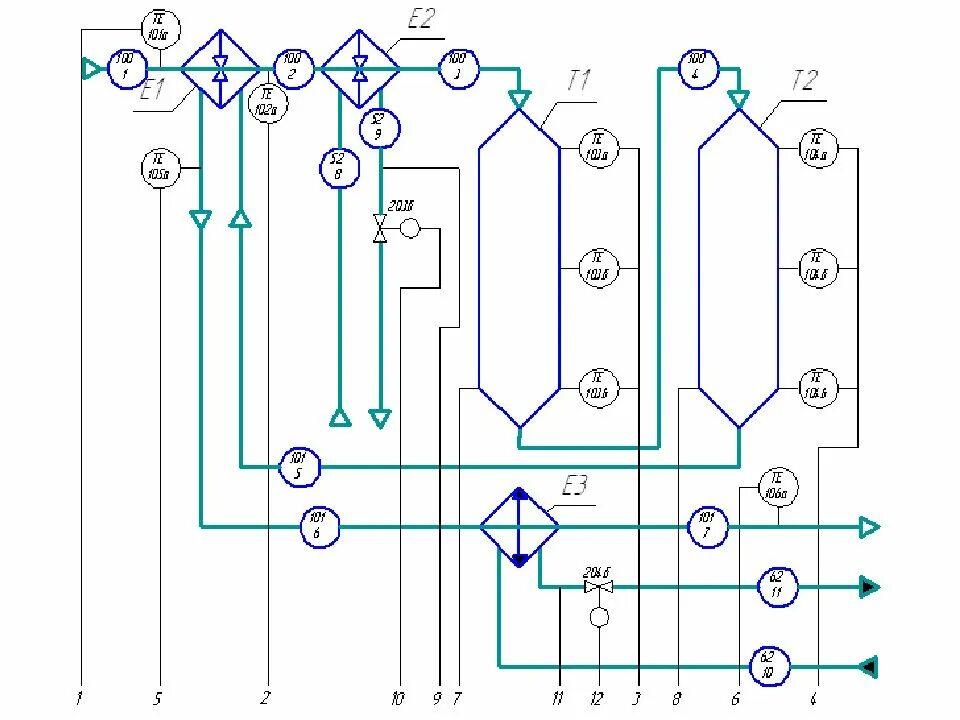
Функциональная автоматизации