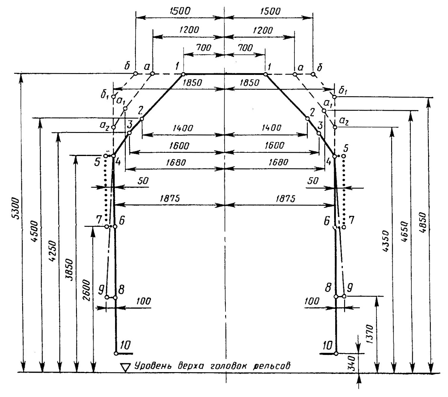
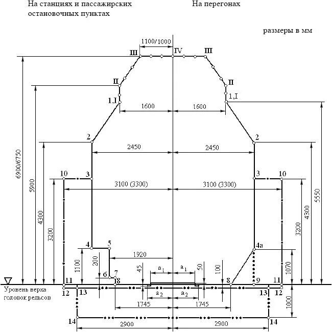
Габарит ж д пути