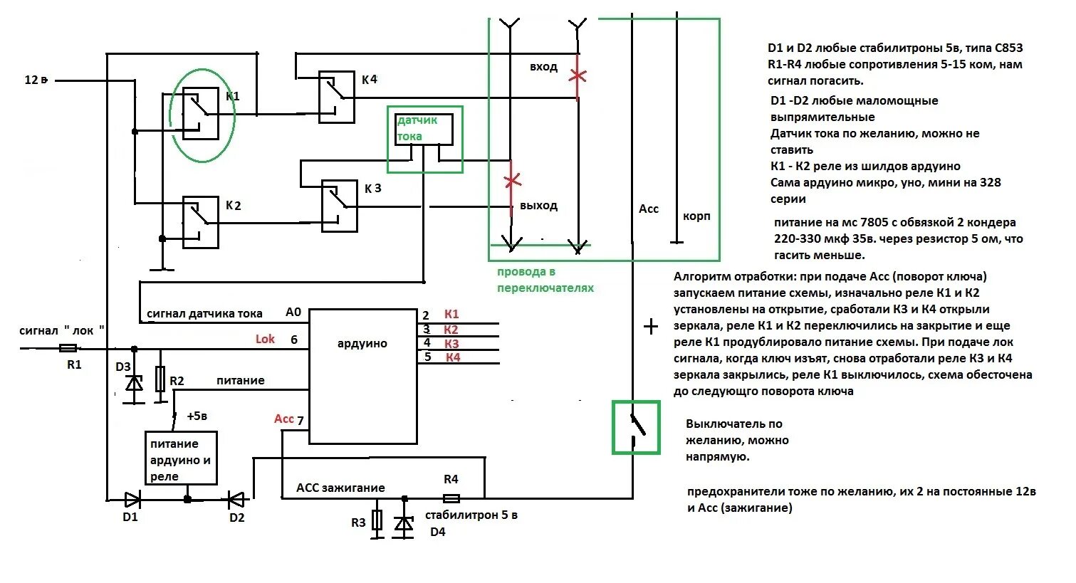
Гасить сигнал